GM Service Manual Online
For 1990-2009 cars only
Makes
🢒
Buick
🢒
2000
🢒
Regal
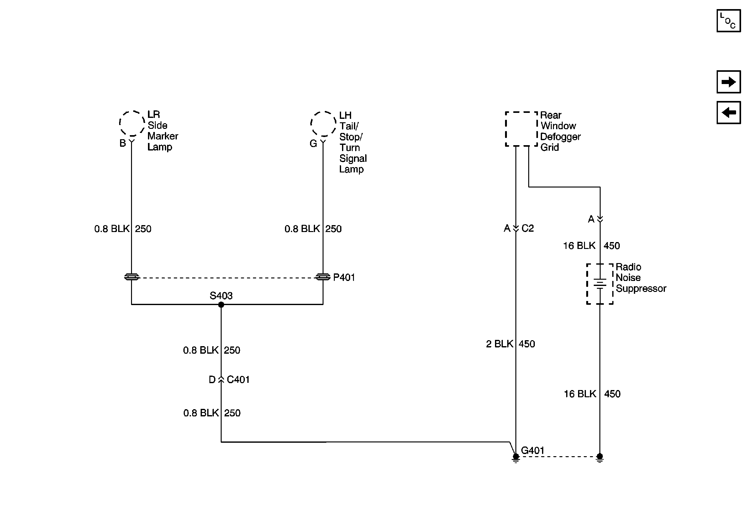
🢒 G401
G401
G401
Power and Grounding Components
G402
G301 cont.