GM Service Manual Online
For 1990-2009 cars only
Makes
🢒
Buick
🢒
2000
🢒
Regal
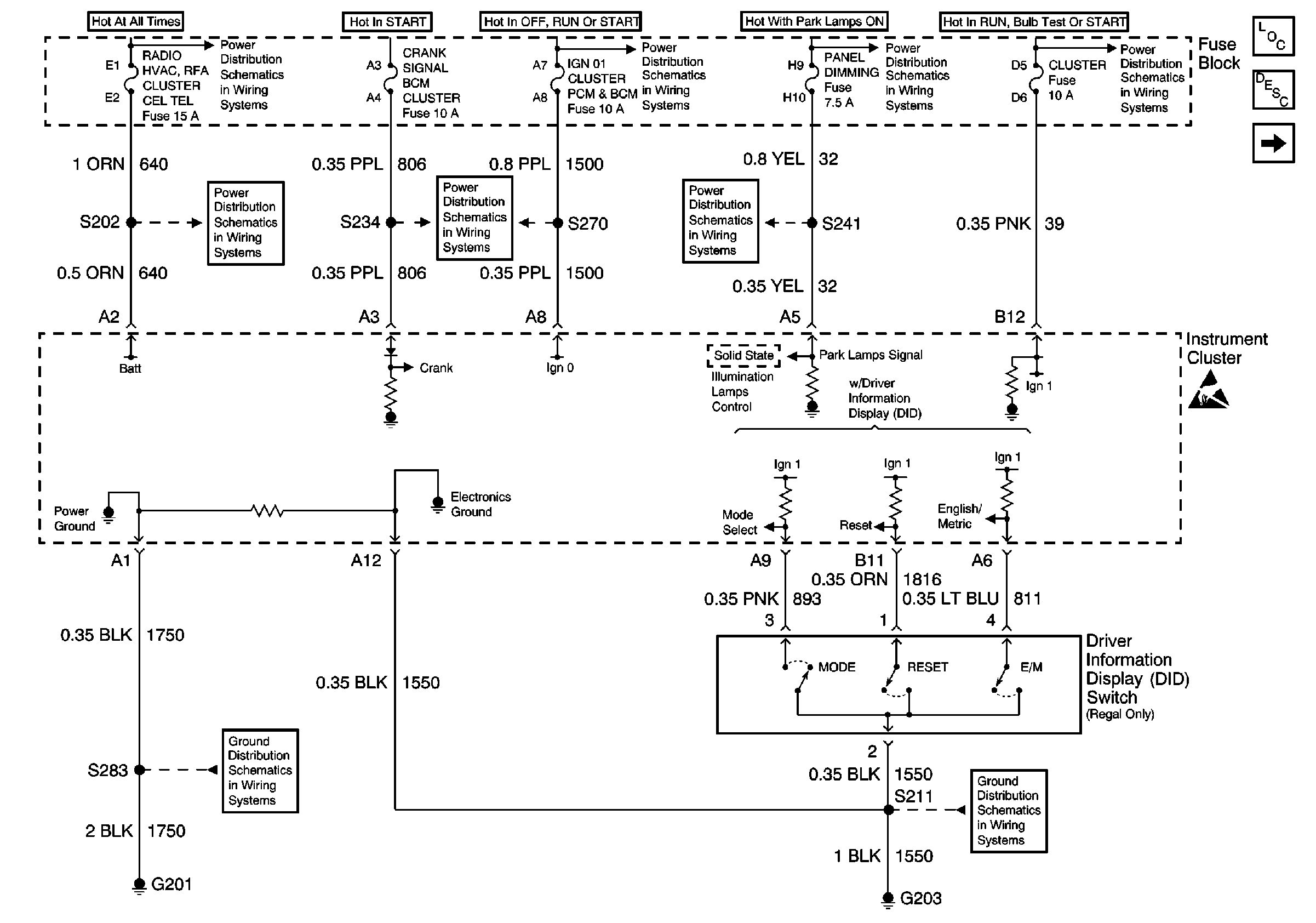
🢒 IPC Power and Grounds
IPC Power and Grounds
IPC Power and Grounds
Radio, HVAC, RFA, Cluster, Cel Tel, BCM Power, INADV Power Bus, Radio PRM Sound, and Cigar Lighter/Data Link Fuses
Fuse Block Outside Rearview Mirror, Cluster, BCM, PCM, and BTSI Fuse
Front Park Lamps, Tail Lamps, License Lamps, and Panel Dimming Fuses
Fuse Block, UAWJB, PCM, BCM, Cluster, Turn Signal Switch, and SDM Module
Instrument Panel, Gages, and Console Component Views
Instrument Cluster Circuit Description
IPC Turn Signal Input, Headlamp Switch Input and High Beam Indicator Input
Radio, HVAC, RFA, Cluster, Cel Tel, BCM Power, INADV Power Bus, Radio PRM Sound, and Cigar Lighter/Data Link Fuses
Fuse Block Outside Rearview Mirror, Cluster, BCM, PCM, and BTSI Fuse
Front Park Lamps, Tail Lamps, License Lamps, and Panel Dimming Fuses
Handling ESD Sensitive Parts Notice
G201
G203