GM Service Manual Online
For 1990-2009 cars only
Makes
🢒
Buick
🢒
2000
🢒
Regal
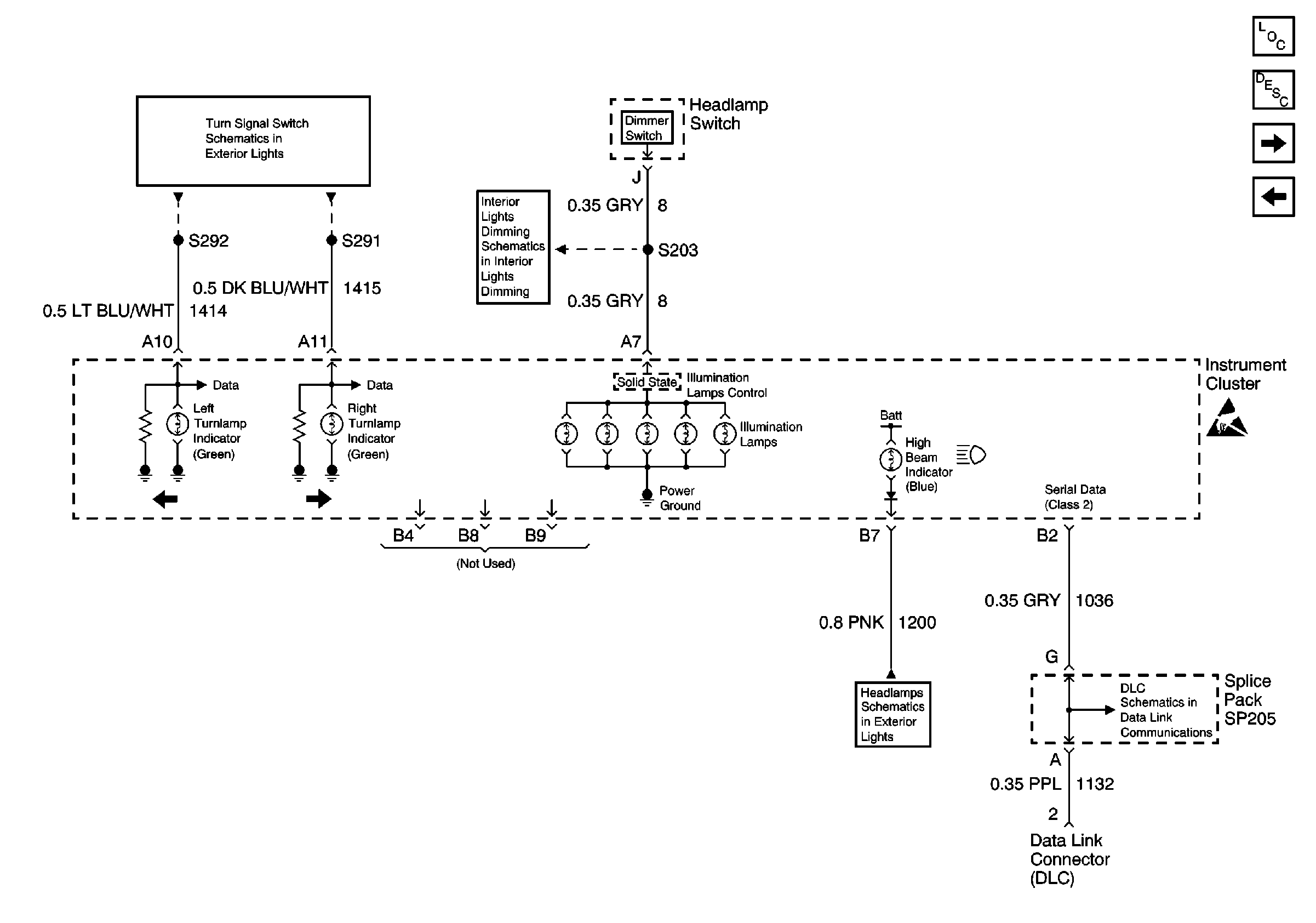
🢒 IPC Turn Signal Input, Headlamp Switch Input and High Beam Indicator Input
IPC Turn Signal Input, Headlamp Switch Input and High Beam Indicator Input
IPC Turn Signal Input, Headlamp Switch Input and High Beam Indicator Input
Hazard Lamp/ Turn Signal Lamp Flasher, Turn Signal Switch, CHMSL And Stop Lamp Switch
Headlamp Switch, Radio Control Switches, HVAC, Ashtray, Instrument Cluster, and Electronic Traction Control Switch Lamps
Instrument Panel, Gages, and Console Component Views
Instrument Cluster Circuit Description
IPC Class 2 Serial Data MIL Outputs and Engine Coolant Level Indicator Input
IPC Power and Grounds
Handling ESD Sensitive Parts Notice
Headlamps, Instrument Cluster and Headlamp Dimmer Switch
Serial Data Class 2