GM Service Manual Online
For 1990-2009 cars only
Makes
🢒
Buick
🢒
2000
🢒
Regal
🢒 Regal
Regal
Regal
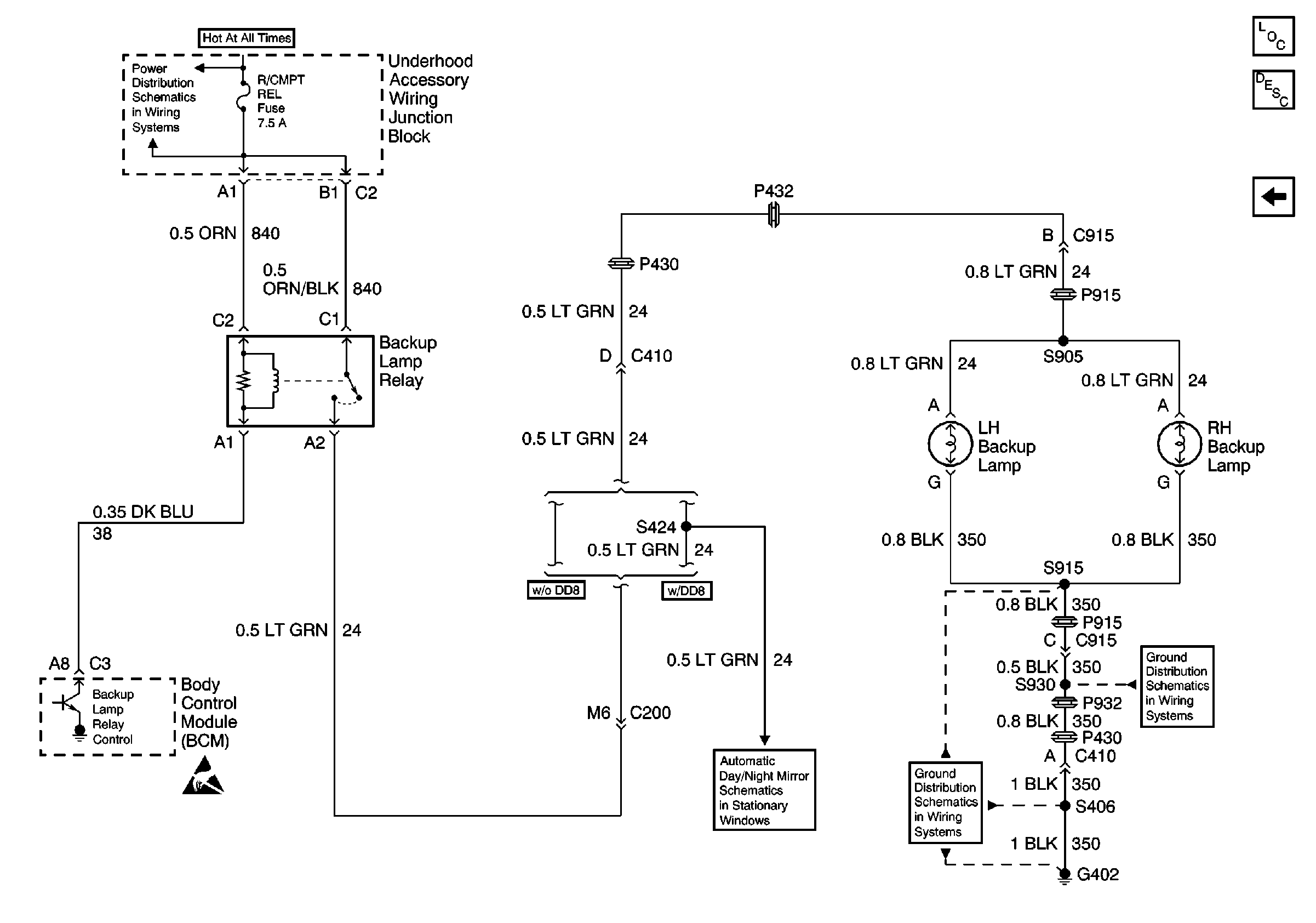
UAWJB, PCM, PNP Switch, and Backup Relay
Automatic Day-Night Mirrors Schematics
G402
G402
Lighting Systems Components
Backup Lamp Circuit Description
Century