GM Service Manual Online
For 1990-2009 cars only
Makes
🢒
Buick
🢒
2000
🢒
Regal
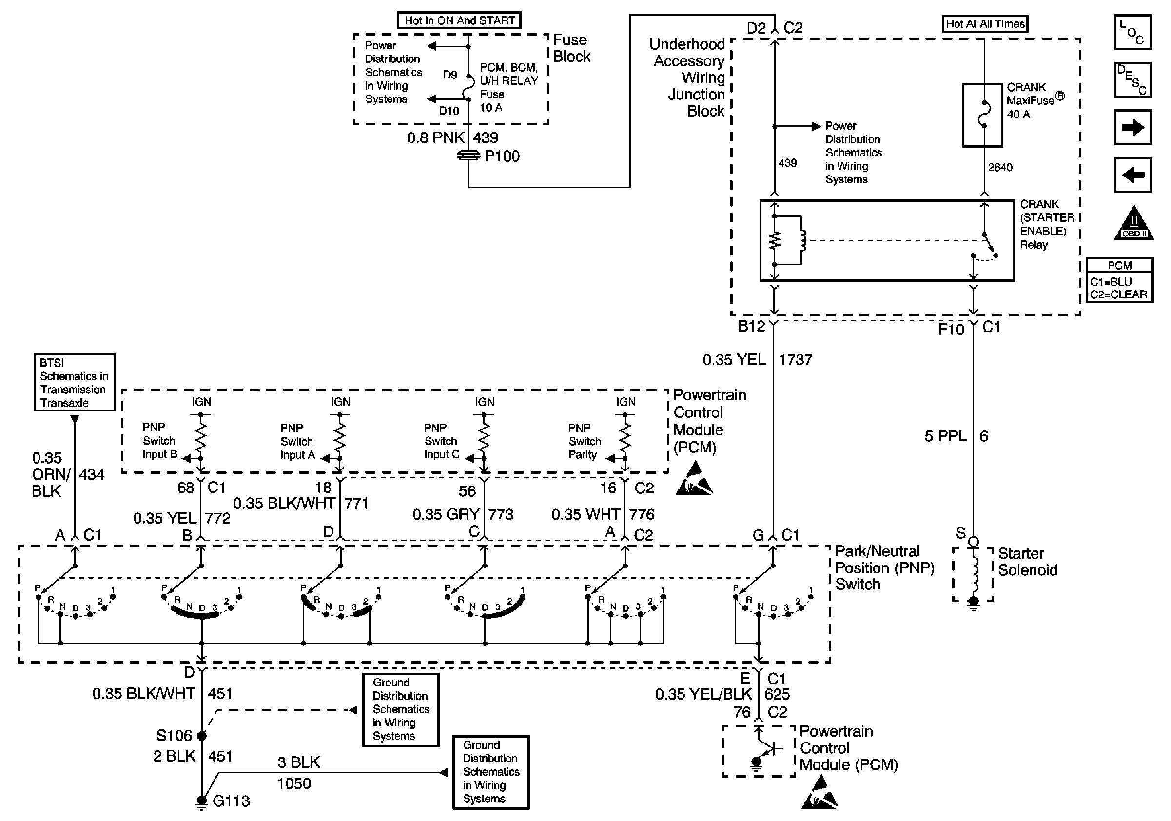
🢒 Transaxle Range Switch Outputs
Transaxle Range Switch Outputs
Transaxle Range Switch Outputs
Turn Signal/Corn Lps, Air Bag, Cluster
Turn Signal/Corn Lps, Air Bag, Cluster
Park/Neutral Position (PNP) Switch Outputs
Ground G113
Ground G117
Handling ESD Sensitive Parts Notice
Handling ESD Sensitive Parts Notice
Engine Controls Component Views
Powertrain Control Module Description
Engine Cooling Fans
Heater- A/C Control and A/C Compressor Clutch Coil
OBD II Symbol Description Notice