GM Service Manual Online
For 1990-2009 cars only
Makes
🢒
Buick
🢒
2000
🢒
Regal
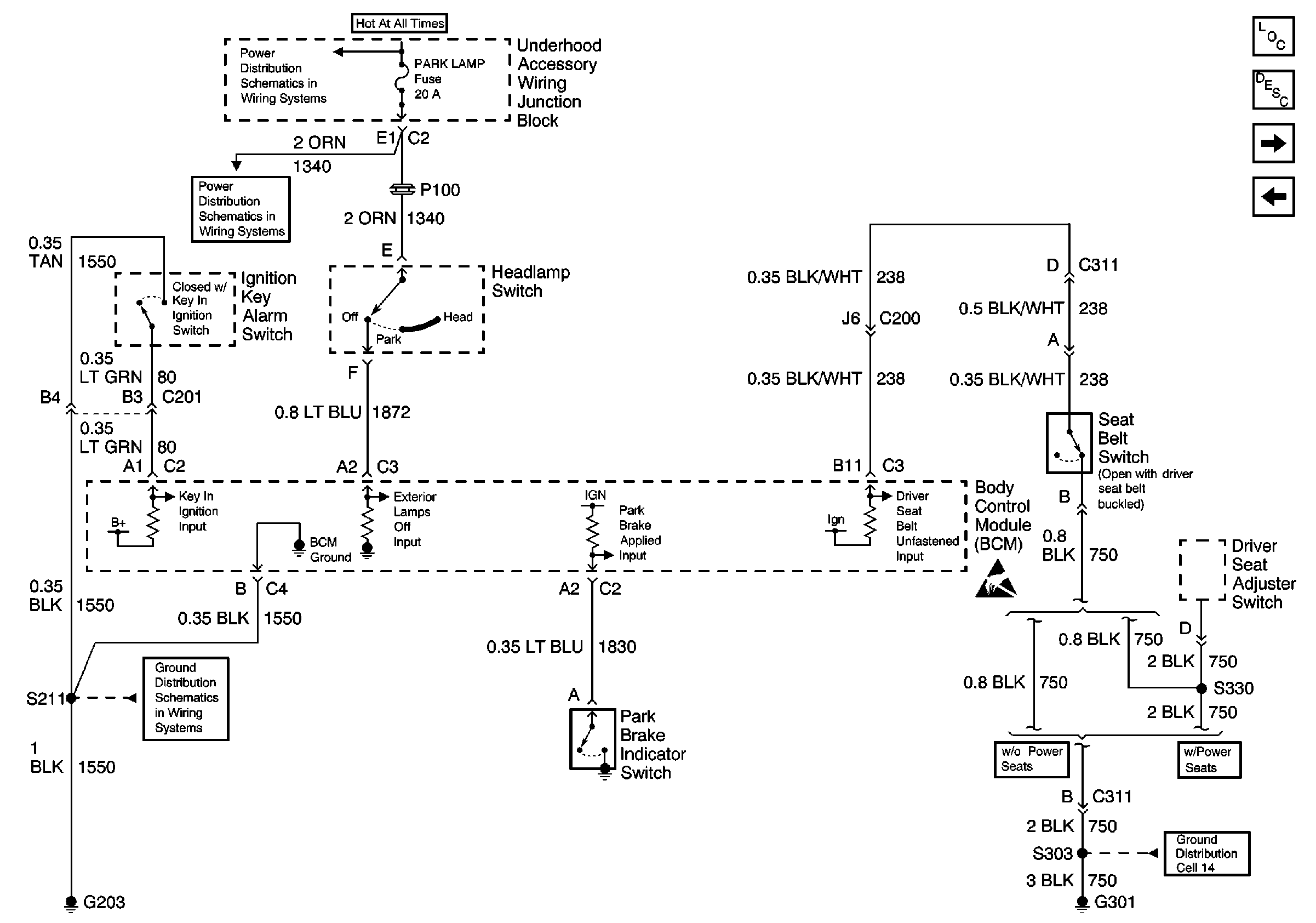
🢒 Ignition Key Alarm Switch, Headlamp Switch, Park Brake Indicator Switch, Driver Seat Adjuster Switch and Seat Belt Switch
Ignition Key Alarm Switch, Headlamp Switch, Park Brake Indicator Switch, Driver Seat Adjuster Switch and Seat Belt Switch
Ignition Key Alarm Switch, Headlamp Switch, Park Brake Indicator Switch, Driver Seat Adjuster Switch and Seat Belt Switch
Battery, UAWJB, Fuse Block, Headlamp Switch, Parklamp and Headlamp Relay
Battery, UAWJB, Fuse Block, Headlamp Switch, Parklamp and Headlamp Relay
G203
Handling ESD Sensitive Parts Notice
G301
Body Control Module Components
Body Control System Circuit Description
Door Lock Inputs and Headlamp Switch Input
Serial Data, Steering Column Lock And Ignition Key Cylinder, ElECTRonic Traction Control Switch and Tire Inflation Reset Switch