GM Service Manual Online
For 1990-2009 cars only
Makes
🢒
Buick
🢒
2000
🢒
Regal
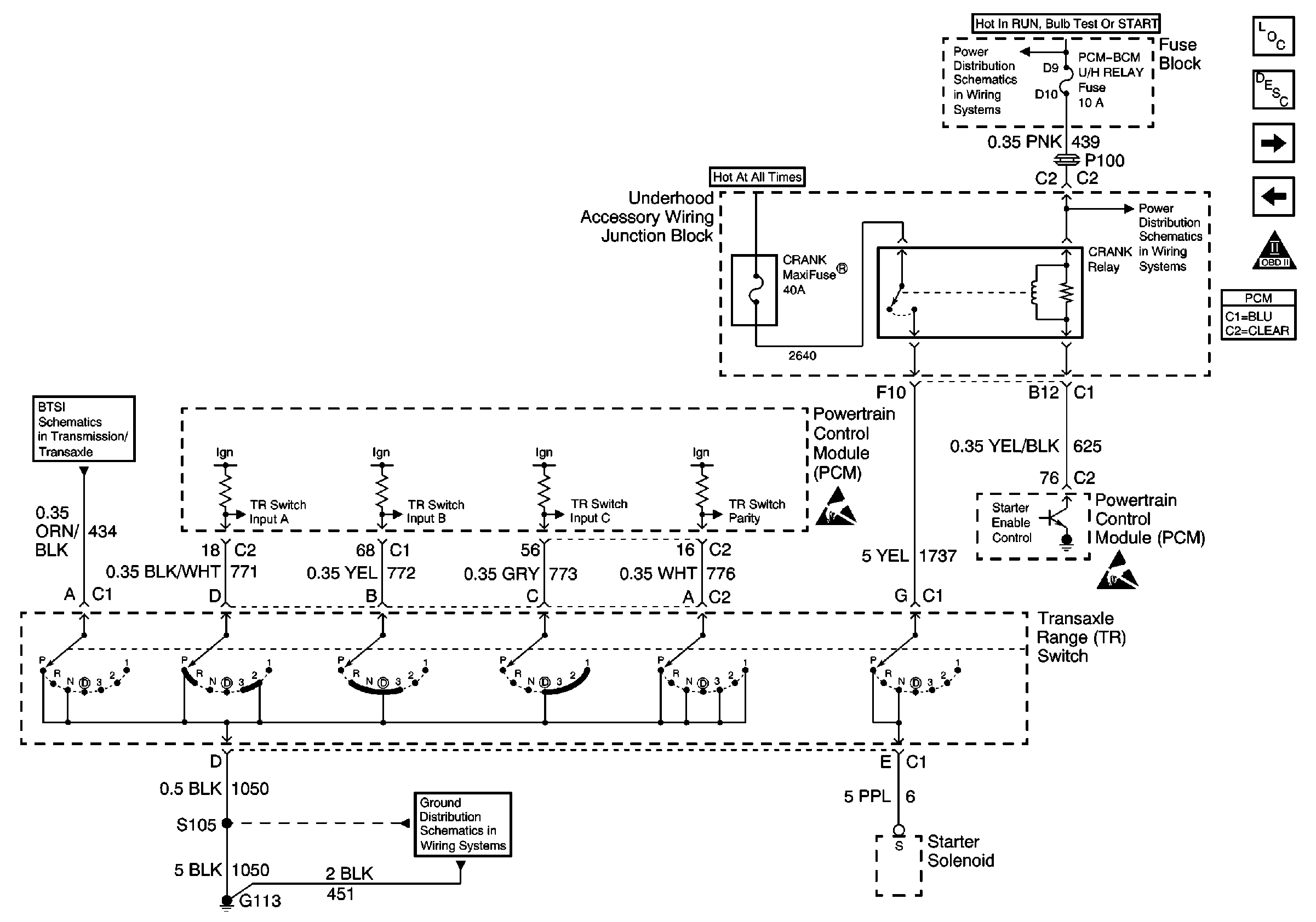
🢒 Transaxle Range Switch Inputs and Starter Solenoid
Transaxle Range Switch Inputs and Starter Solenoid
Transaxle Range Switch Inputs and Starter Solenoid
Park Neutral Switch Schematic
G113 and G117
Handling ESD Sensitive Parts Notice
Handling ESD Sensitive Parts Notice
Fuse Block, UAWJB, PCM, BCM, Cluster, Turn Signal Switch, and SDM Module
UAWJB
Instrument Panel, Gages, and Console Component Views
Instrument Cluster Circuit Description
Automatic Transaxle Input/Output Stop Lamp Switch
Generator and Class 2 Serial Data
OBD II Symbol Description Notice