GM Service Manual Online
For 1990-2009 cars only
Makes
🢒
Buick
🢒
2000
🢒
Regal
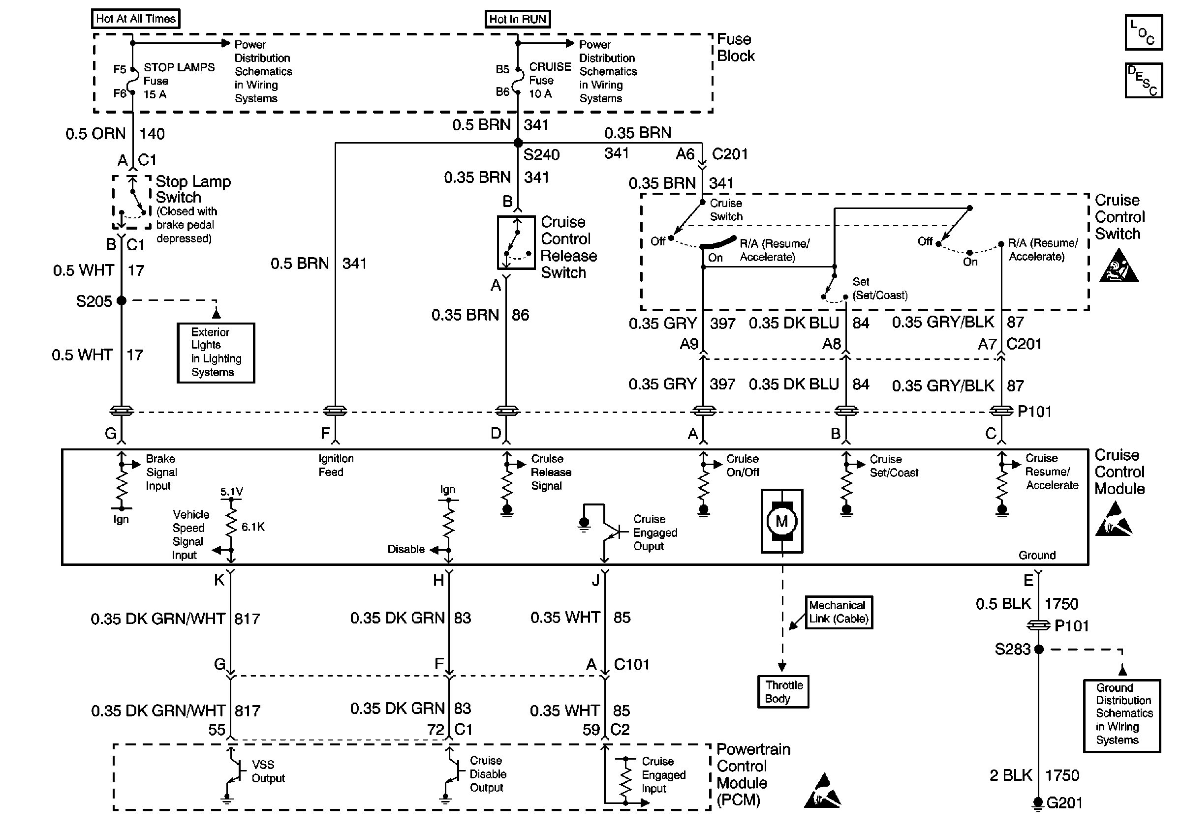
🢒 Cruise Control Schematic
Cruise Control Schematic
High Blower, Hazard, Stoplamps, Door Locks, Power Mirrors, and Heated Seats Fuses
Hazard Lamp/ Turn Signal Lamp Flasher, Turn Signal Switch, CHMSL And Stop Lamp Switch
Low Blower, Cruise, and HVAC Fuses
Handling ESD Sensitive Parts Notice
SIR Handling Caution
Handling ESD Sensitive Parts Notice
G201
Cruise Control Components
Cruise Control System Description