GM Service Manual Online
For 1990-2009 cars only
Makes
🢒
Buick
🢒
2000
🢒
Regal
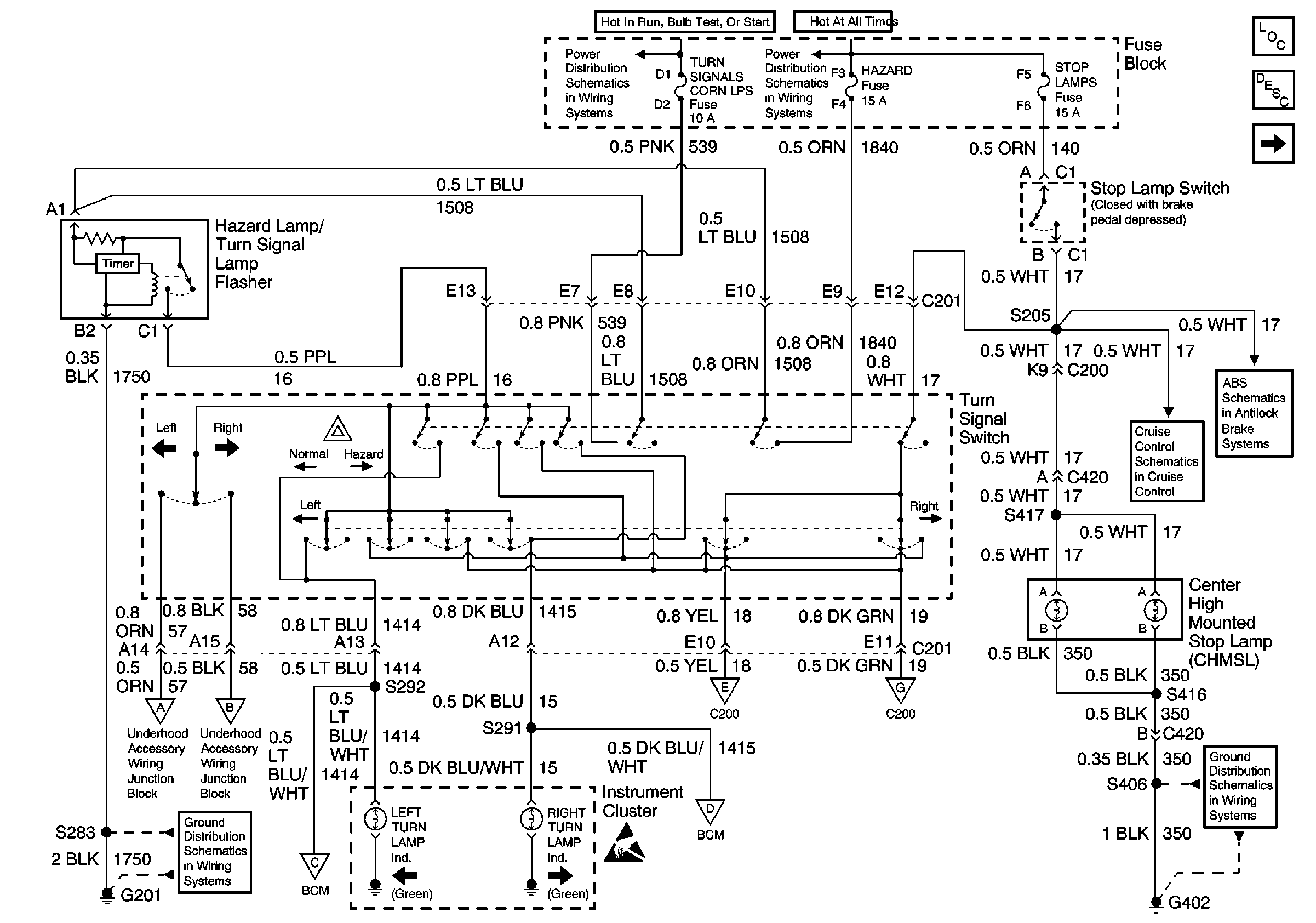
🢒 Hazard Lamp/ Turn Signal Lamp Flasher, Turn Signal Switch, CHMSL And Stop Lamp Switch
Hazard Lamp/ Turn Signal Lamp Flasher, Turn Signal Switch, CHMSL And Stop Lamp Switch
Hazard Lamp/ Turn Signal Lamp Flasher, Turn Signal Switch, CHMSL and Stop Lamp Switch
Park/Turn Signal, Cornering and Side Marker Lamps
Park/Turn Signal, Cornering and Side Marker Lamps
G201
BCM
UAWJB, Ignition Switch, and Fuse Block
Battery, UAWJB, Fuse Block, Headlamp Switch, Parklamp and Headlamp Relay
Handling ESD Sensitive Parts Notice
Side Marker, Tail/Stop/Turn Signal, Park, and License Lamps
Side Marker, Tail/Stop/Turn Signal, Park, and License Lamps
BCM
Cruise Control Schematics
Antilock Brake System Schematics
G402
Lighting Systems Components
Exterior Lights Circuit Description
BCM, Headlamp Switch, Park Lamp Relay, Headlamp Relay and Ambient Light SenSor