GM Service Manual Online
For 1990-2009 cars only
Makes
🢒
Buick
🢒
2002
🢒
Regal
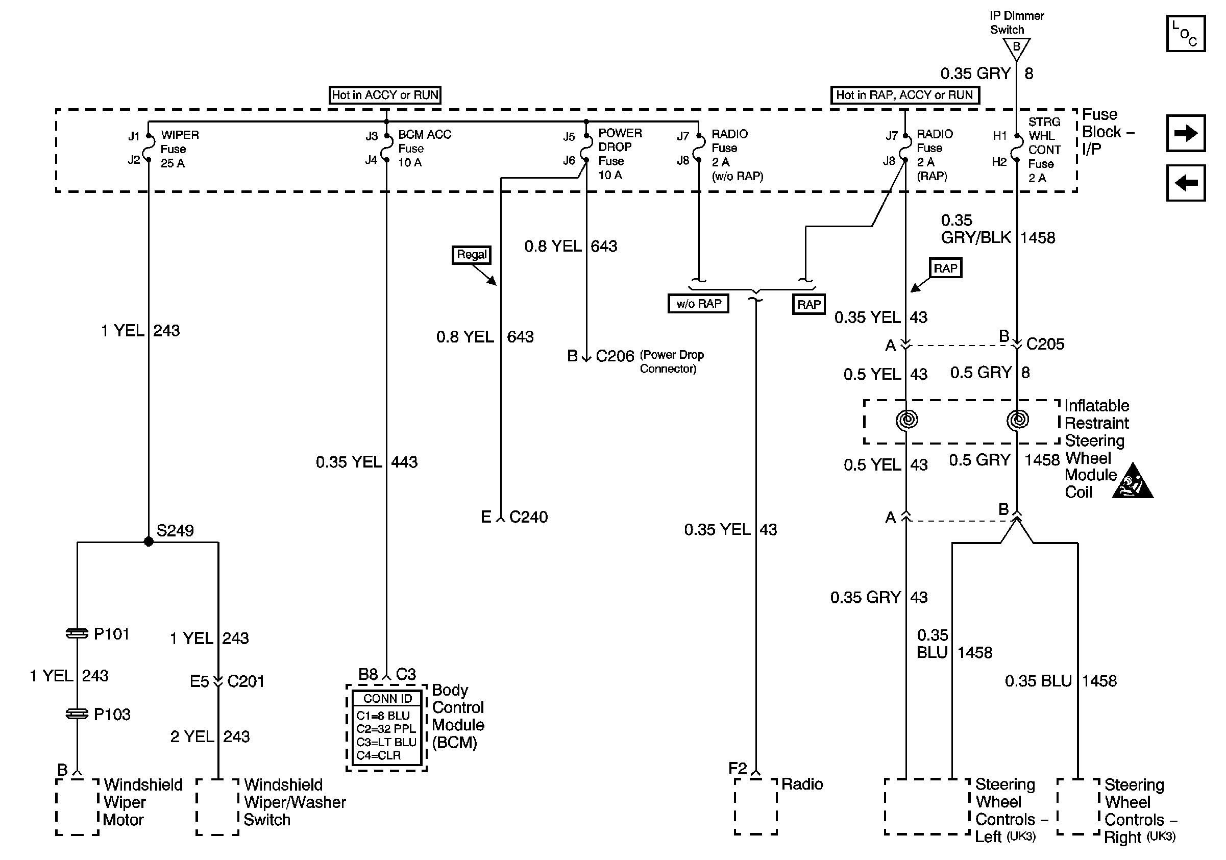
🢒 BCM, Power Drop, Steering Wheel Switches
BCM, Power Drop, Steering Wheel Switches
Fuse Block - I/P WIPER, BCM ACC, POWER DROP, RADIO, and STRG WHL CONT Fuses
Master Electrical Component List
Blower, Cruise, HVAC
Lighting
Lighting
SIR Caution