GM Service Manual Online
For 1990-2009 cars only
Makes
🢒
Buick
🢒
2002
🢒
Regal
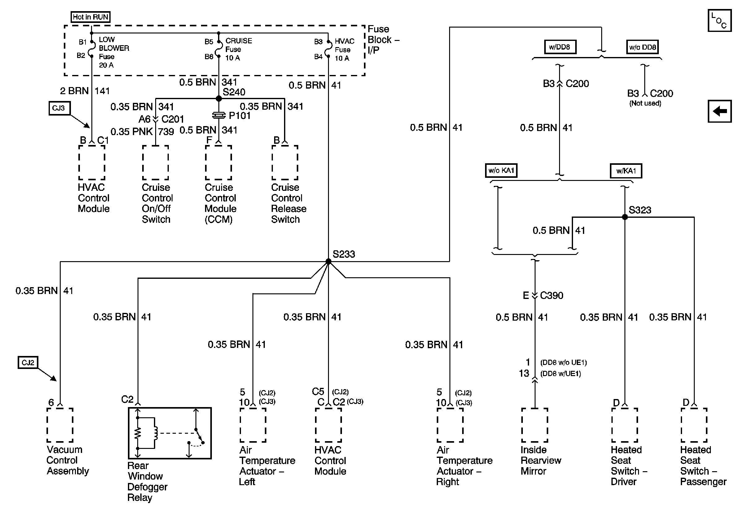
🢒 Blower, Cruise, HVAC
Blower, Cruise, HVAC
Fuse Block - I/P LOW BLOWER, CRUISE, and HVAC Fuses
Master Electrical Component List
BCM, Power Drop, Steering Wheel Switches