GM Service Manual Online
For 1990-2009 cars only
Makes
🢒
Buick
🢒
2002
🢒
Regal
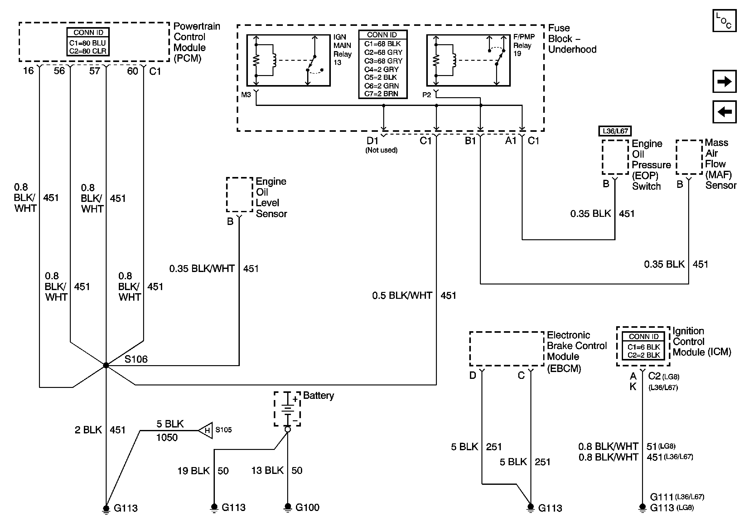
🢒 G100, G111, and G113
G100, G111, and G113
G100, G111 and G113
Master Electrical Component List
G113
G101
G113