GM Service Manual Online
For 1990-2009 cars only
Makes
🢒
Buick
🢒
2003
🢒
Regal
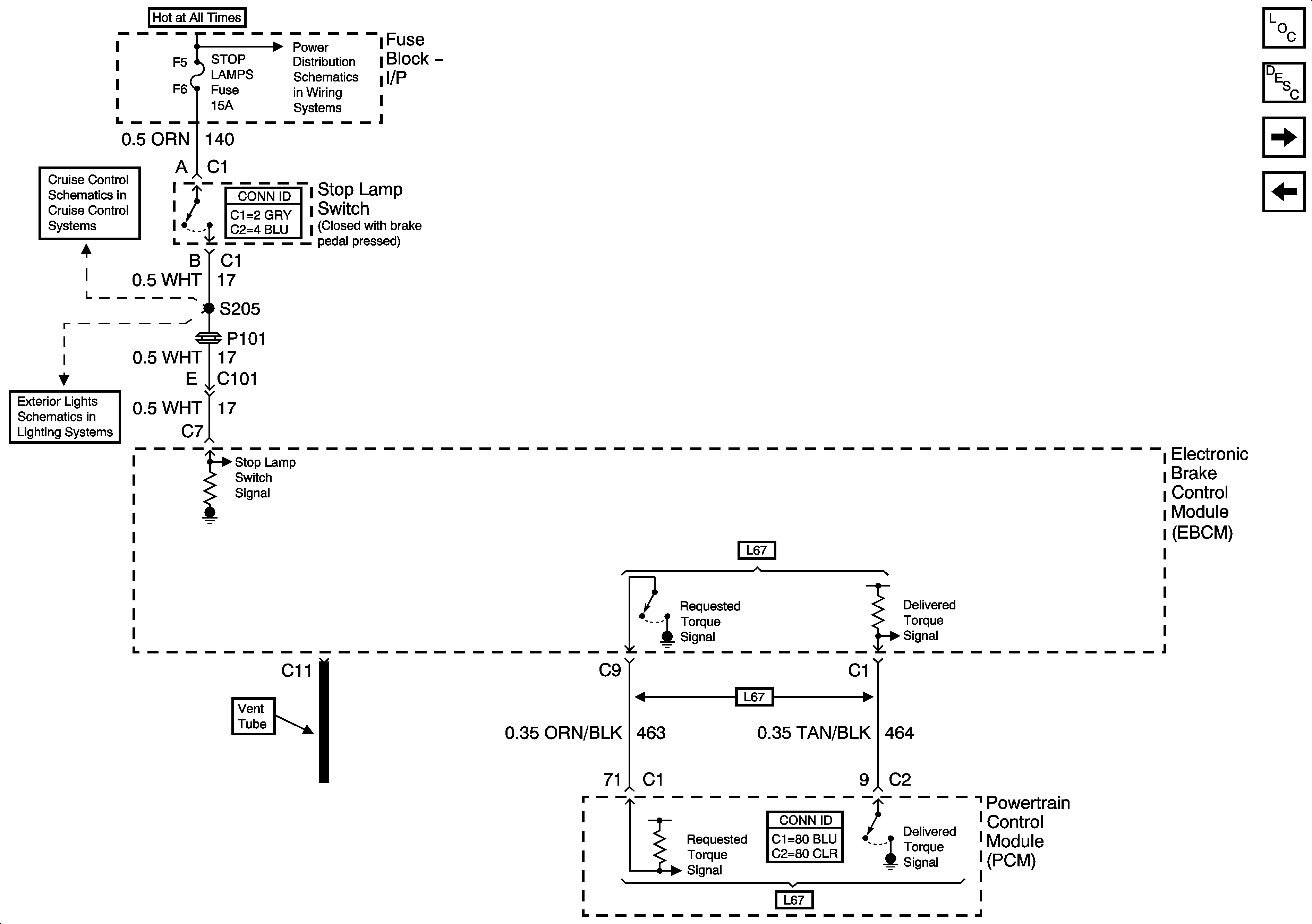
🢒 Stop Lamp and Torque Signals
Stop Lamp and Torque Signals
Stop Lamp and Torque Signals
Master Electrical Component List
ABS Description and Operation
Wheel Speed Sensors
Indicators
Fuse Block-Underhood Batt 2 Fuse, Fuse Block-I/P HIGH BLOWER, HAZARD, STOP LAMPS, DOOR LOCKS, and POWER MIRRORS Fuses
Cruise Control Schematics
Stop Lamps and Rear Turn Lamps