GM Service Manual Online
For 1990-2009 cars only
Makes
🢒
Buick
🢒
2003
🢒
Regal
🢒 Cruise Control Schematics
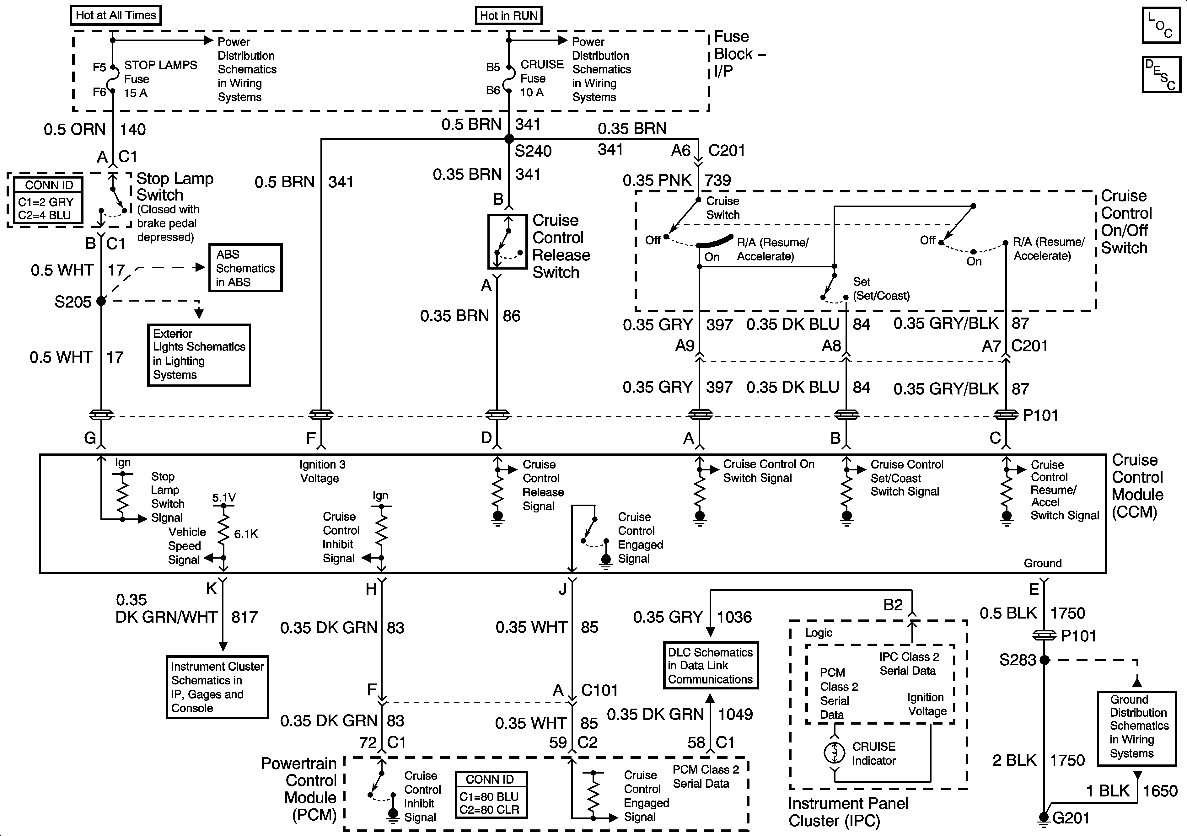
Cruise Control Schematics
Master Electrical Component List
Cruise Control Description and Operation
Fuse Block-Underhood Batt 2 Fuse, Fuse Block-I/P HIGH BLOWER, HAZARD, STOP LAMPS, DOOR LOCKS, and POWER MIRRORS Fuses
Fuse Block-Underhood IGN 2 Fuse
Stop Lamp and Torque Signals
Stop Lamps and Rear Turn Lamps
Gages
Data Link Connector (DLC) Schematics
G201