GM Service Manual Online
For 1990-2009 cars only
Makes
🢒
Buick
🢒
2004
🢒
Regal
🢒
Accessories
🢒
Cellular Communication
🢒 OnStar Schematics
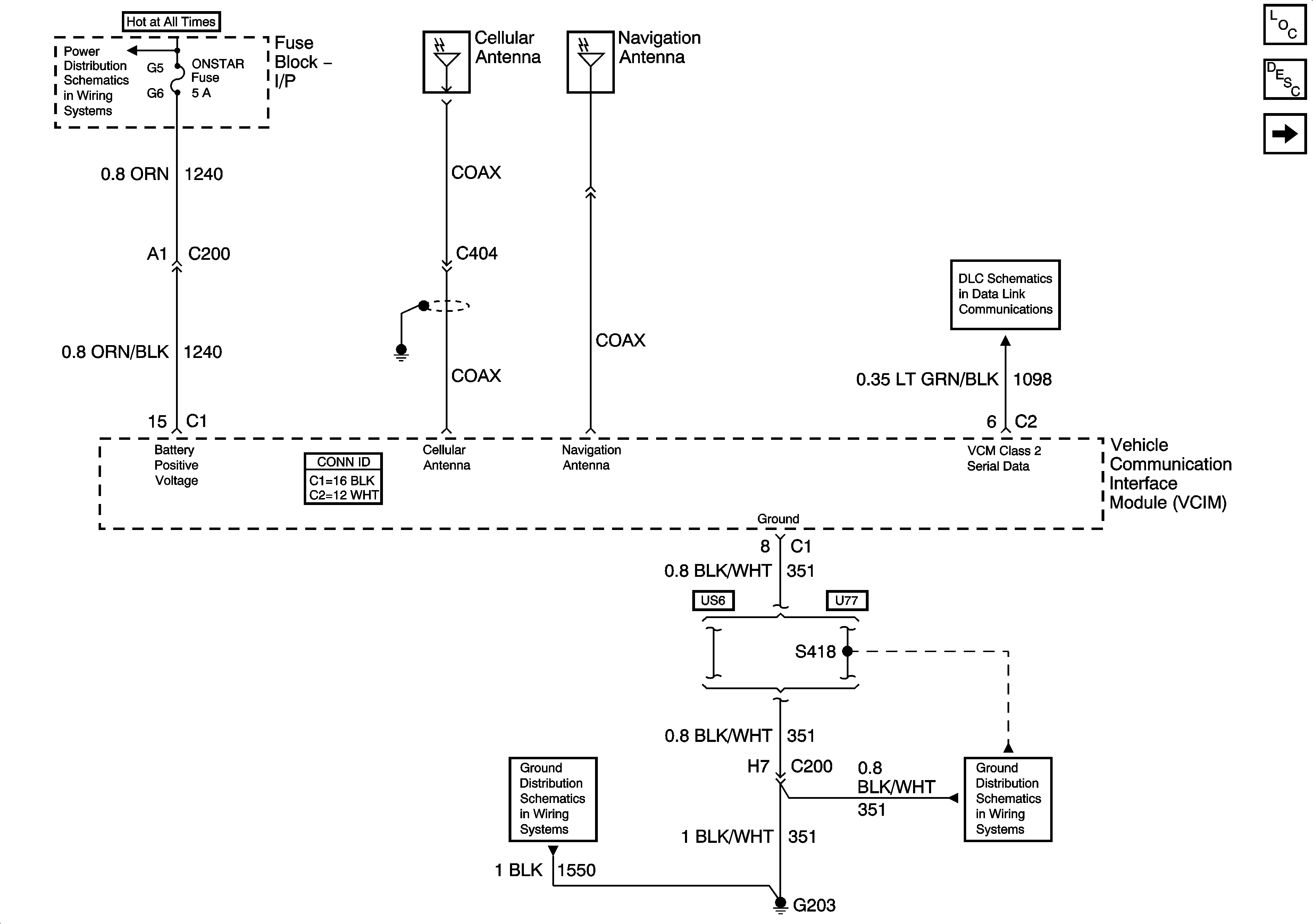
Figure
1:
Power, Grounds, DLC, and Antennas
Master Electrical Component List
OnStar Description and Operation
Inputs and Outputs
Fuse Block - Underhood BAT 3 Fuse, Fuse Block - I/P ONSTAR, HTD SEAT Fuses, R/DEFOG and PWR/SEAT Circuit Breakers
Data Link Connector (DLC) Schematics
G203, Page 1 of 2
G203, Page 2 of 2
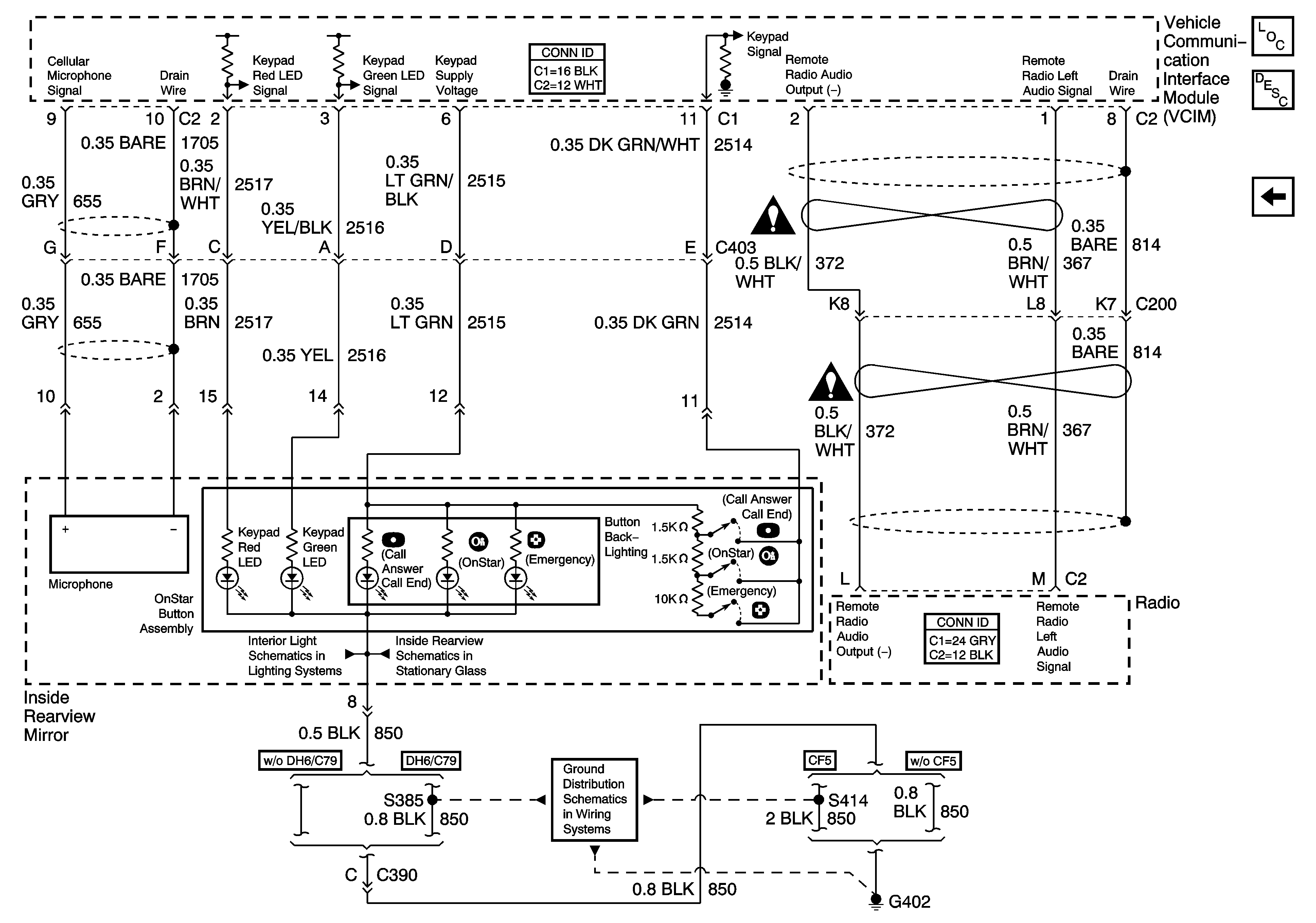
Figure
2:
Inputs and Outputs
Master Electrical Component List
OnStar Description and Operation
Power, Ground, DLC, and Antenna
Cellular Communication Schematic Icons
Cellular Communication Schematic Icons
Mirror, Dome, and Courtesy/Reading Lamps
Inside Rearview Mirror Schematics
G402, Page 1 of 2