GM Service Manual Online
For 1990-2009 cars only
Makes
🢒
Buick
🢒
2004
🢒
Regal
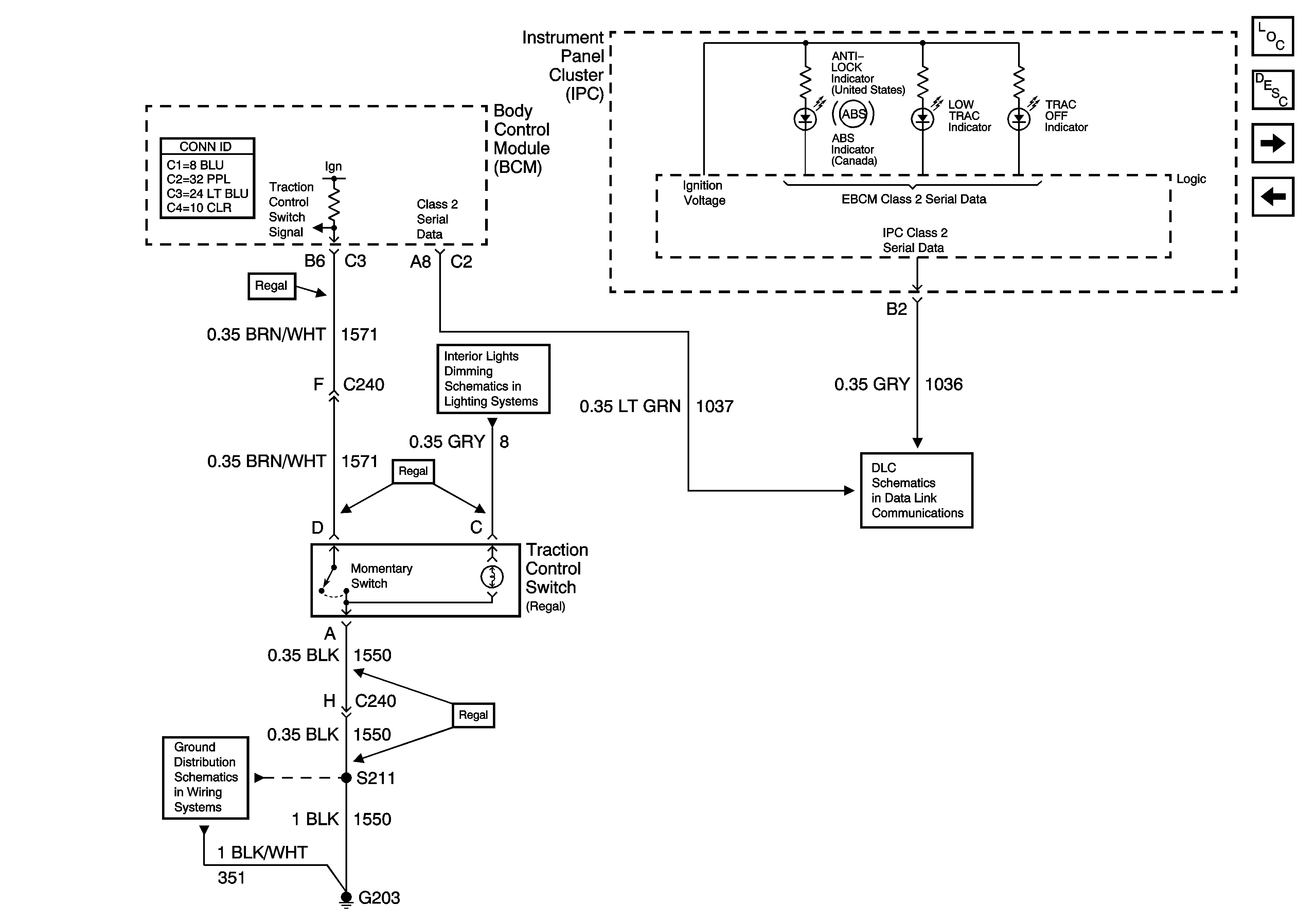
🢒 Indicators and Traction Control
Indicators and Traction Control
Indicators and Traction Control
Master Electrical Component List
ABS Description and Operation
Stop Lamp and Torque Signals
Power, Ground, and Serial Data
Passenger Compartment Lamps
Data Link Connector (DLC) Schematics
G203, Page 1 of 2