GM Service Manual Online
For 1990-2009 cars only
Makes
🢒
Buick
🢒
2004
🢒
Regal
🢒 Stop Lamps and Rear Turn Lamps
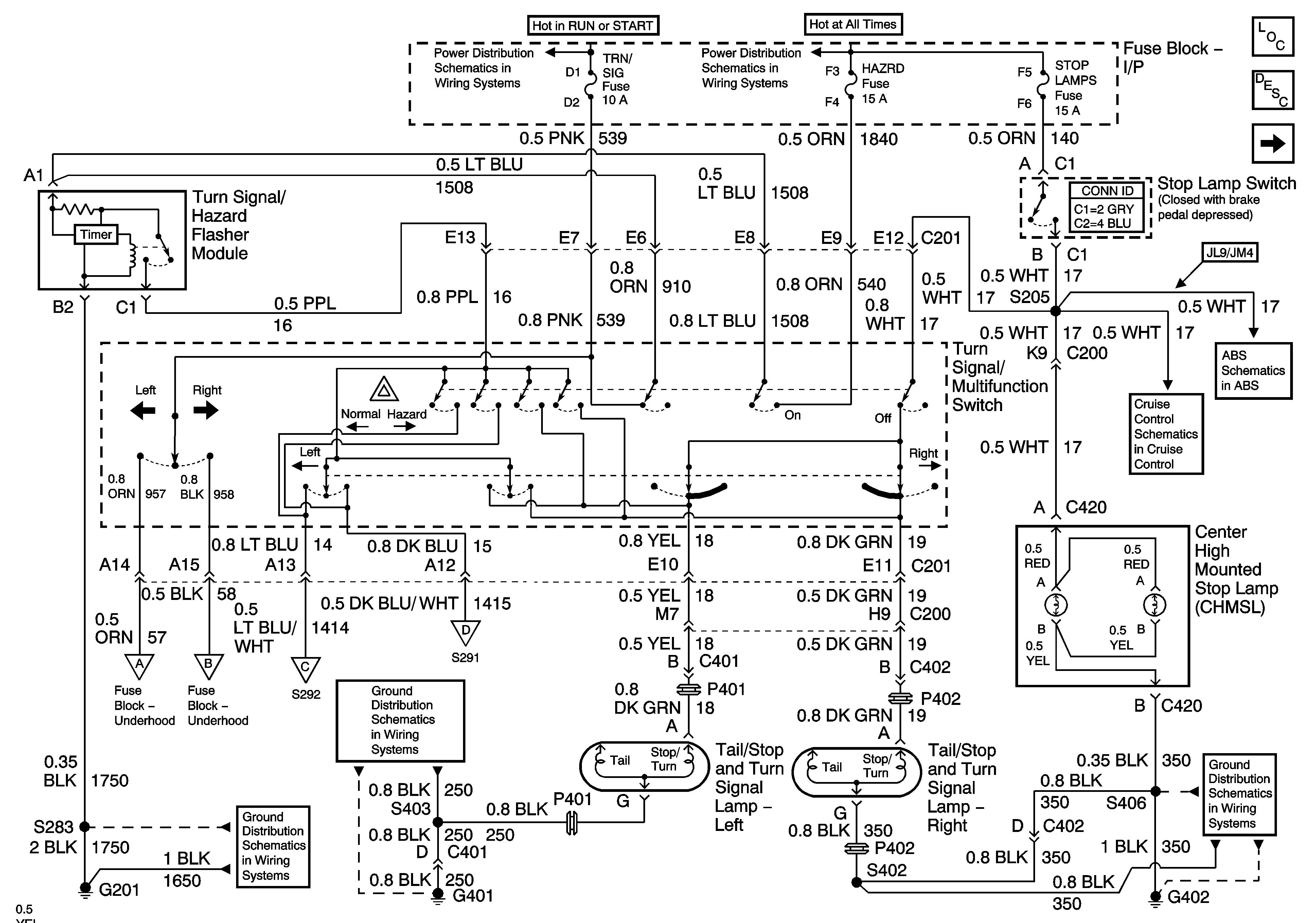
Stop Lamps and Rear Turn Lamps
Stop Lamps and Rear Turn Lamps
Master Electrical Component List
Exterior Lighting Systems Description and Operation
Front Turn Lamps, Cornering Lamps, DRL
Fuse Block - I/P TRN/SIG, AIR BAG, CLSTR, and PCM, BCM U/H Fuses, Fuse Block - Underhood CRANK and IGN MAIN Relays
Fuse Block - Underhood BAT 2 Fuse, Fuse Block - I/P HI/BLWR, HAZRD, STOP LAMPS, DR/LCK, and PWR/MIR Fuses
Cruise Control Schematics
Stop Lamp and Torque Signals
Front Turn Lamps, Cornering Lamps, DRL
Front Turn Lamps, Cornering Lamps, DRL
Front Turn Lamps, Cornering Lamps, DRL
Front Turn Lamps, Cornering Lamps, DRL
G201
G401
G402, Page 2 of 2