GM Service Manual Online
For 1990-2009 cars only
Makes
🢒
Buick
🢒
2004
🢒
Regal
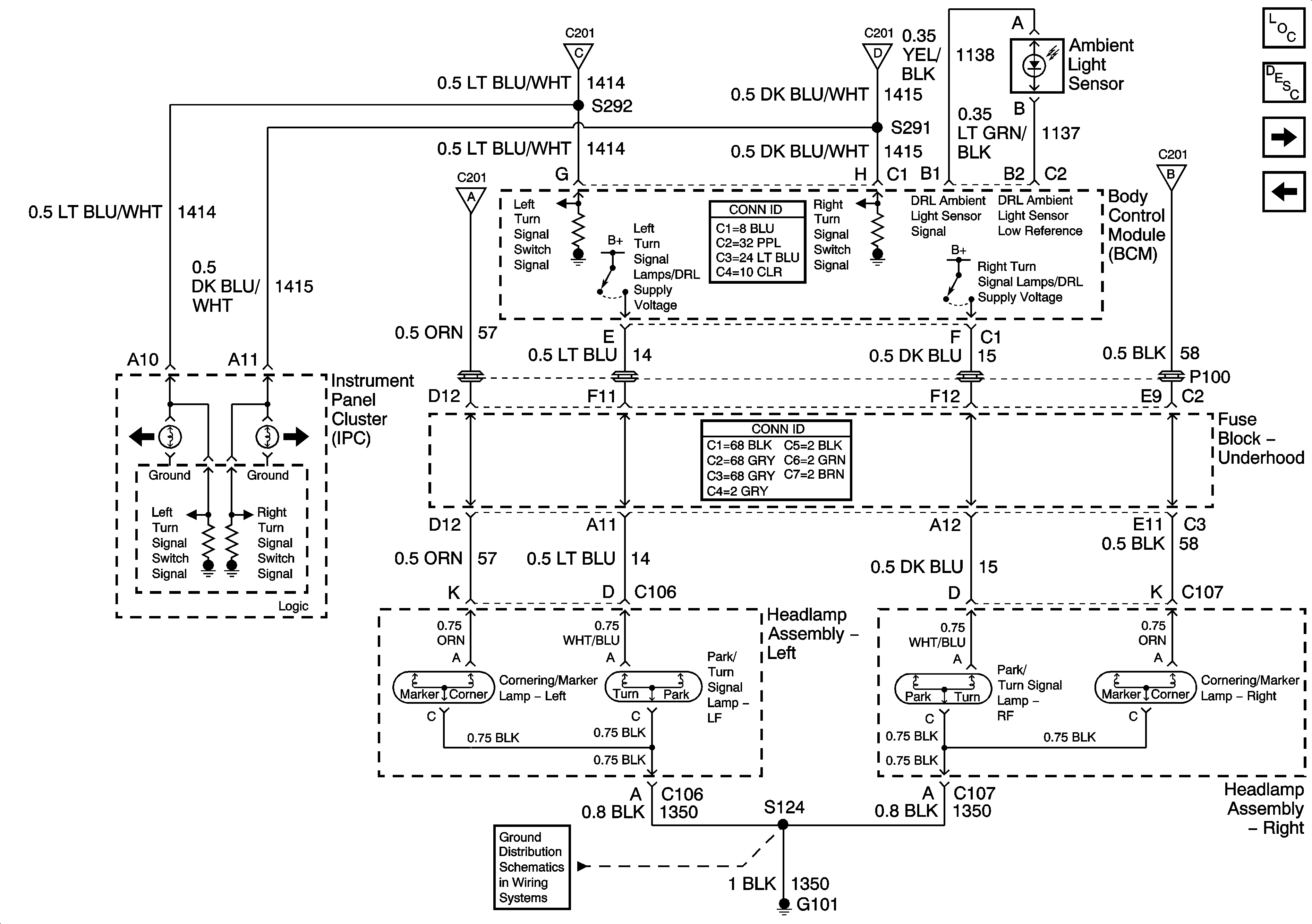
🢒 Front Turn Lamps, Cornering Lamps, DRL
Front Turn Lamps, Cornering Lamps, DRL
Front Turn Lamps, Cornering Lamps, and DRL
Master Electrical Component List
Exterior Lighting Systems Description and Operation
Front Park Lamps
Stop Lamps and Rear Turn Lamps
Stop Lamps and Rear Turn Lamps
Stop Lamps and Rear Turn Lamps
Stop Lamps and Rear Turn Lamps
Stop Lamps and Rear Turn Lamps
G101 and G111