GM Service Manual Online
For 1990-2009 cars only
Makes
🢒
Buick
🢒
2004
🢒
Regal
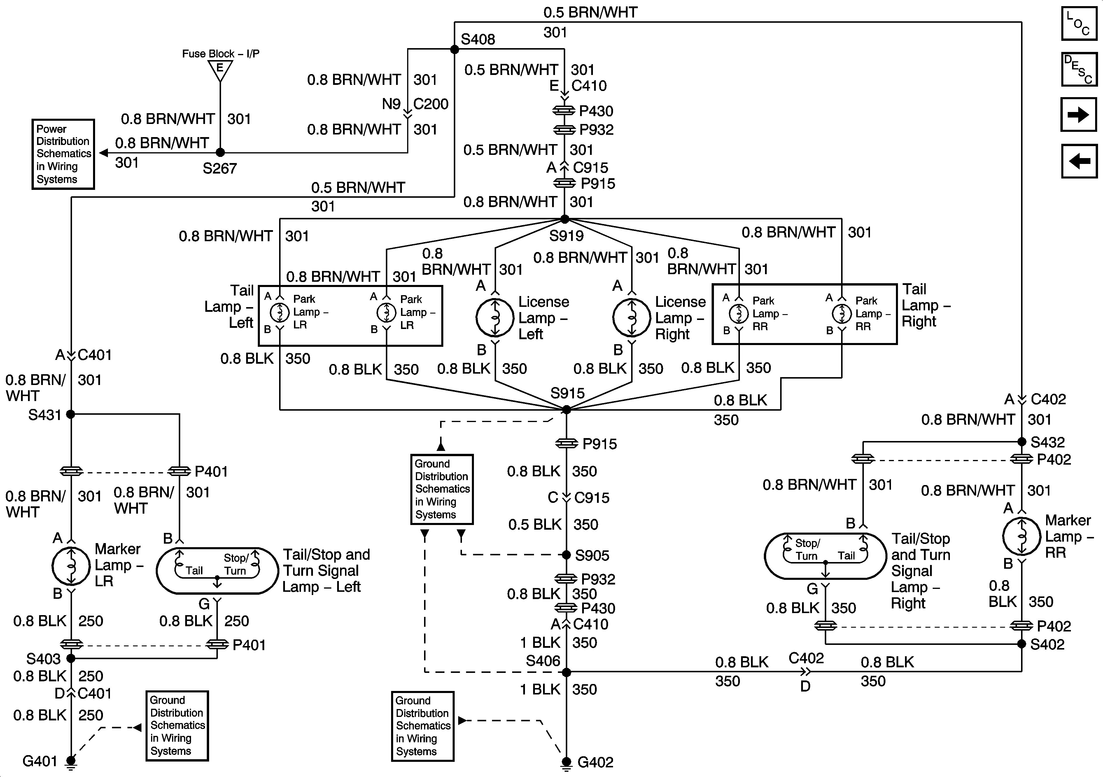
🢒 Rear Park and License Lamps
Rear Park and License Lamps
Rear Park Lamps and License Lamps
Master Electrical Component List
Exterior Lighting Systems Description and Operation
Back Up Lights
Front Park Lamps
Fuse Block - I/P R/LAMPS and INT/ILLUM Fuses
Front Park Lamps
G402, Page 2 of 2
G401
G402, Page 1 of 2