GM Service Manual Online
For 1990-2009 cars only
Makes
🢒
Buick
🢒
2004
🢒
Regal
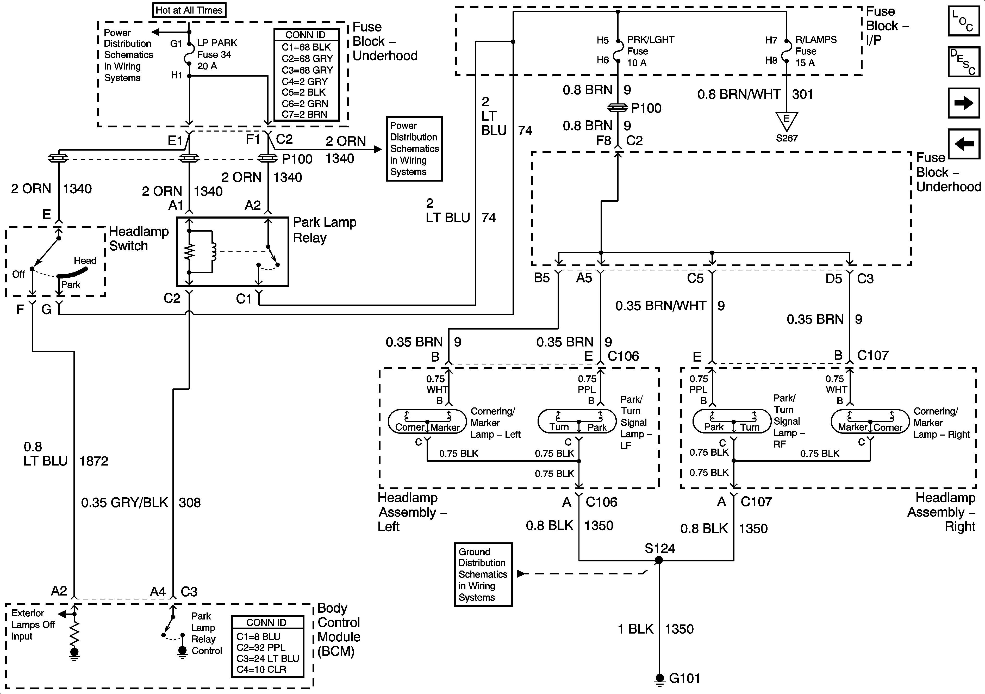
🢒 Front Park Lamps
Front Park Lamps
Front Park Lamps
Master Electrical Component List
Exterior Lighting Systems Description and Operation
Rear Park and License Lamps
Front Turn Lamps, Cornering Lamps, DRL
Fuse Block - Underhood B+ Bus
Fuse Block - Underhood LP PARK Fuse, Fuse Block - I/P PRK/LGHT Fuse, PWR WNDOW PWR S/ROOF Circuit Breaker
Rear Park and License Lamps
G101 and G111