GM Service Manual Online
For 1990-2009 cars only
Makes
🢒
Buick
🢒
2000
🢒
Regal (China)
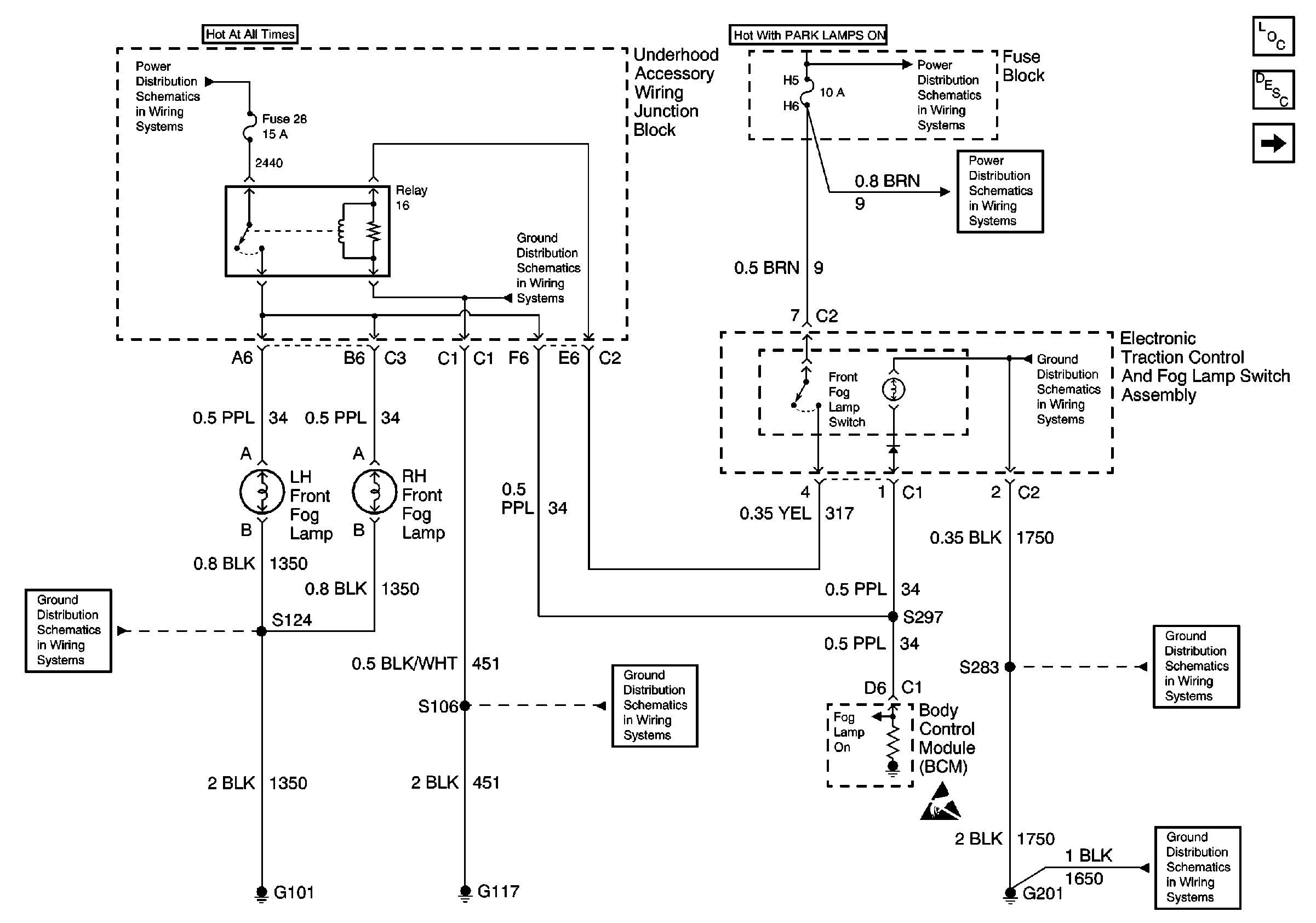
🢒 Front Fog Lamps, Fog Lamp Relay, Front Fog Lamp Switch and BCM
Front Fog Lamps, Fog Lamp Relay, Front Fog Lamp Switch and BCM
Front Fog Lamps, Fog Lamp Relay, Front Fog Lamp Switch and BCM
Underhood Accessory Wiring Junction Block
G101
G100, G117 and G119
Fuse Block, UAWJB Radio and Cluster
Fuse Block, UAWJB Radio and Cluster
Handling ESD Sensitive Parts Notice
G201)
G201)
Lighting Systems Components
Fog Lights Circuit Description
Rear Fog Lamps, Rear Fog Lamp Relay, Rear Fog Lamp Switch and BCM