GM Service Manual Online
For 1990-2009 cars only
Makes
🢒
Buick
🢒
2000
🢒
Regal (China)
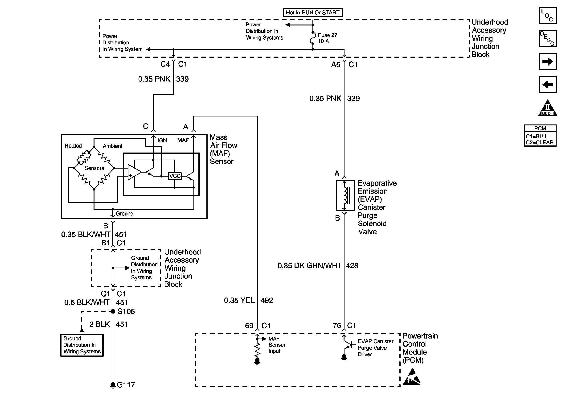
🢒 MAF and EVAP
MAF and EVAP
MAF and EVAP
UAWJB, Stop Lamp Switch, A/T and ICM
UAWJB, Stop Lamp Switch, A/T and ICM
G100, G117 and G119
G100, G117 and G119
Handling ESD Sensitive Parts Notice
Engine Controls Components
Powertrain Control Module Description
HO2S, EGR and PCM (NF2 Only)
A/C Pressure Sensor, TP, MAP, ECT and IAT
OBD II Symbol Description Notice