GM Service Manual Online
For 1990-2009 cars only
Makes
🢒
Buick
🢒
2000
🢒
Regal (China)
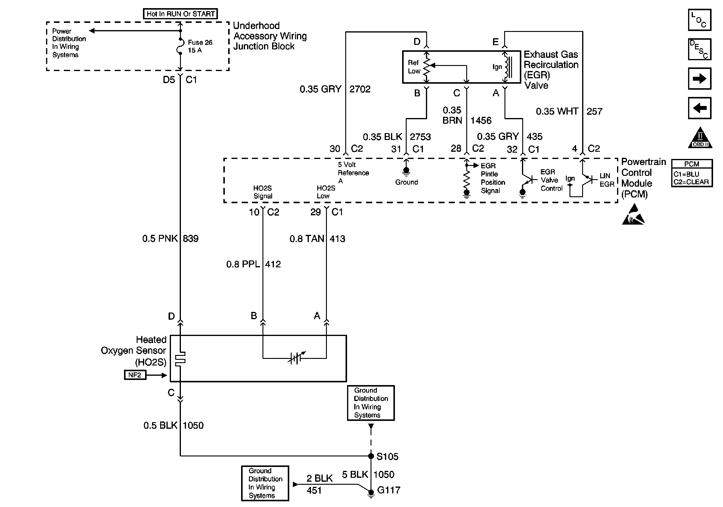
🢒 HO2S, EGR and PCM (NF2 Only)
HO2S, EGR and PCM (NF2 Only)
HO2S, EGR and PCM (NF2 Only)
UAWJB, Stop Lamp Switch, A/T and ICM
G100, G117 and G119
G113
Handling ESD Sensitive Parts Notice
Engine Controls Components
Powertrain Control Module Description
IAC, Oil Level Switch and Oil Pressure Indicator
MAF and EVAP
OBD II Symbol Description Notice