GM Service Manual Online
For 1990-2009 cars only
Makes
🢒
Buick
🢒
2001
🢒
Regal (China)
🢒 Battery, UAWJB and Fuse Block
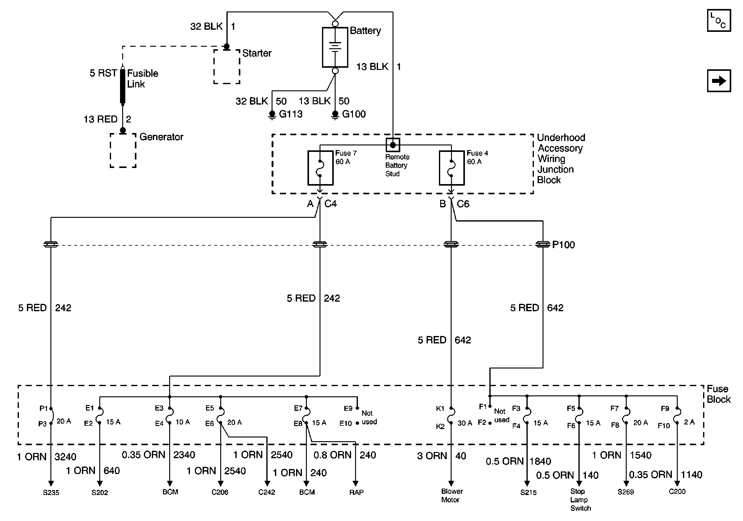
Battery, UAWJB and Fuse Block
Battery, UAWJB and Fuse Block
Fuse Block, Wiper/Washer, BCM and Radio Controls
Fuse Block, BCM, Cluster, Radio and DLC
Fuse Block, BCM, Cluster, Radio and DLC
Fuse Block, BCM, Cluster, Radio and DLC
Fuse Block, BCM, Cluster, Radio and DLC
Fuse Block, BCM, Cluster, Radio and DLC
Fuse Block, BCM, Cluster, Radio and DLC
Fuse Block Details
Fuse Block Details
Fuse Block Details
Fuse Block Details
Fuse Block Details
Power and Grounding Components
GLX: RAP Relay, UAWJB, Ignition Switch and Fuse Block