GM Service Manual Online
For 1990-2009 cars only
Makes
🢒
Buick
🢒
2001
🢒
Regal (China)
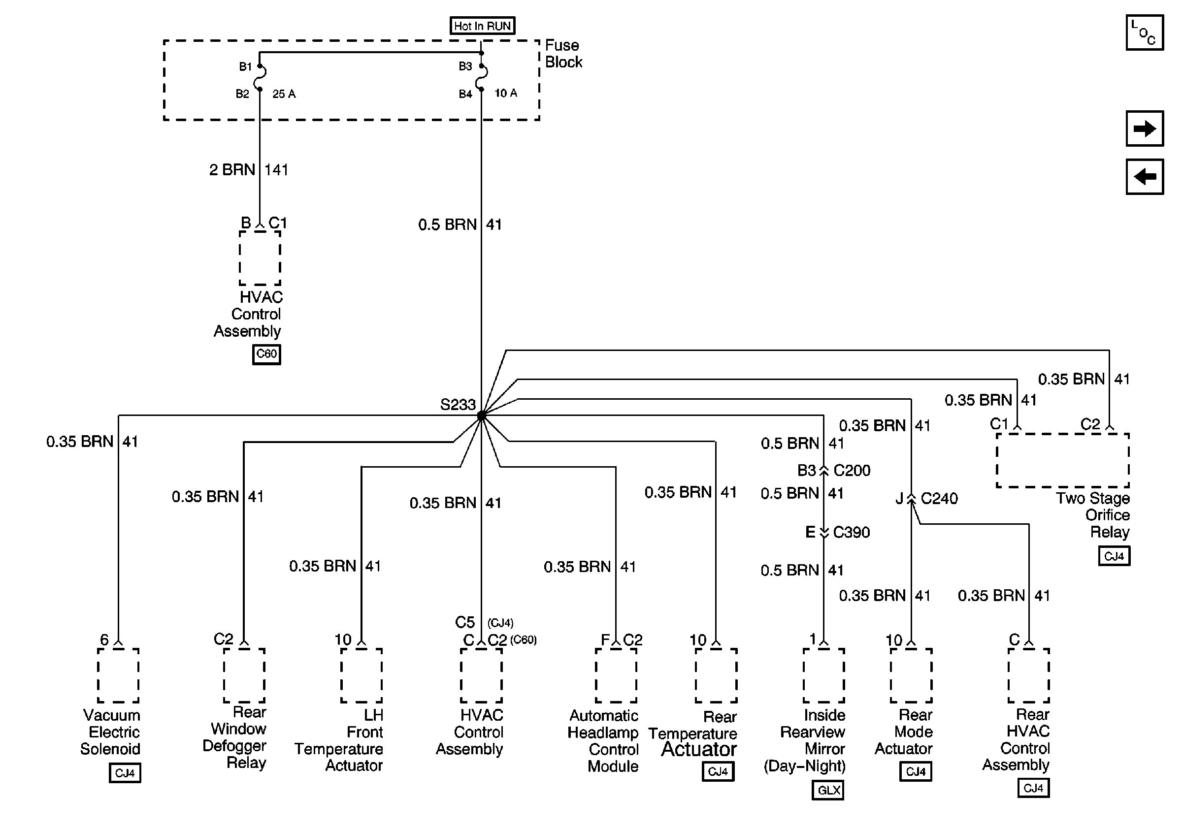
🢒 Fuse Block and HVAC Components
Fuse Block and HVAC Components
Fuse Block and HVAC Components
Power and Grounding Components
Fuse Block and EBCM/EBTCM and Stop Lamp Switch
Fuse Block, Outside Rearview Mirrors and PCM