GM Service Manual Online
For 1990-2009 cars only
Makes
🢒
Buick
🢒
2006
🢒
Rendezvous - FWD
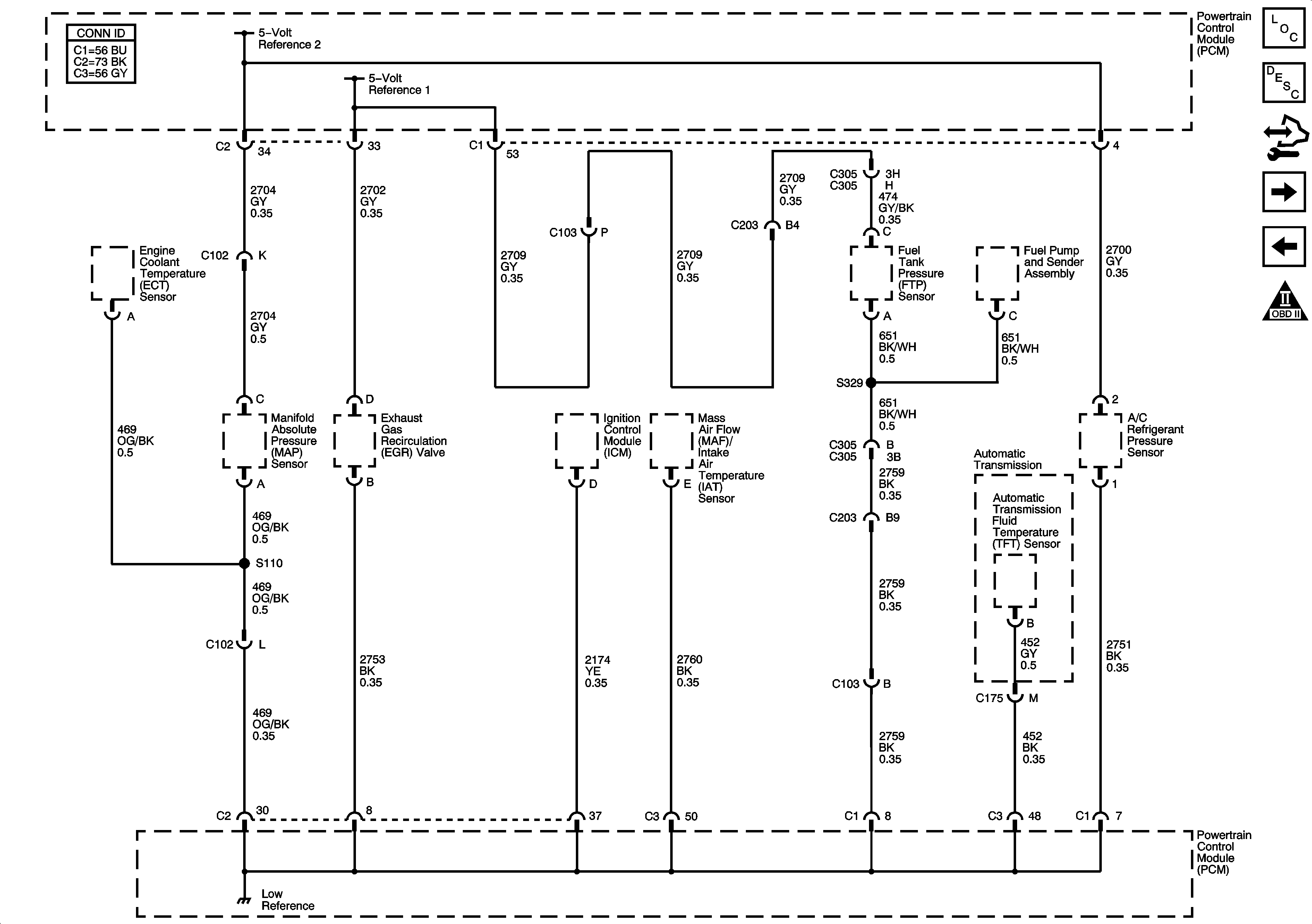
🢒 Engine Data Sensors-5-Volt and Low Reference
Engine Data Sensors-5-Volt and Low Reference
Engine Data Sensors - 5-Volt and Low Reference
Master Electrical Component List
Powertrain Control Module Description
Control Module References
Engine Data Sensors-Pressure, Temperature, and VSS
Module Power, Ground, Serial Data, and MIL
Engine Controls Schematic Icons