GM Service Manual Online
For 1990-2009 cars only
Makes
🢒
Buick
🢒
2006
🢒
Rendezvous - FWD
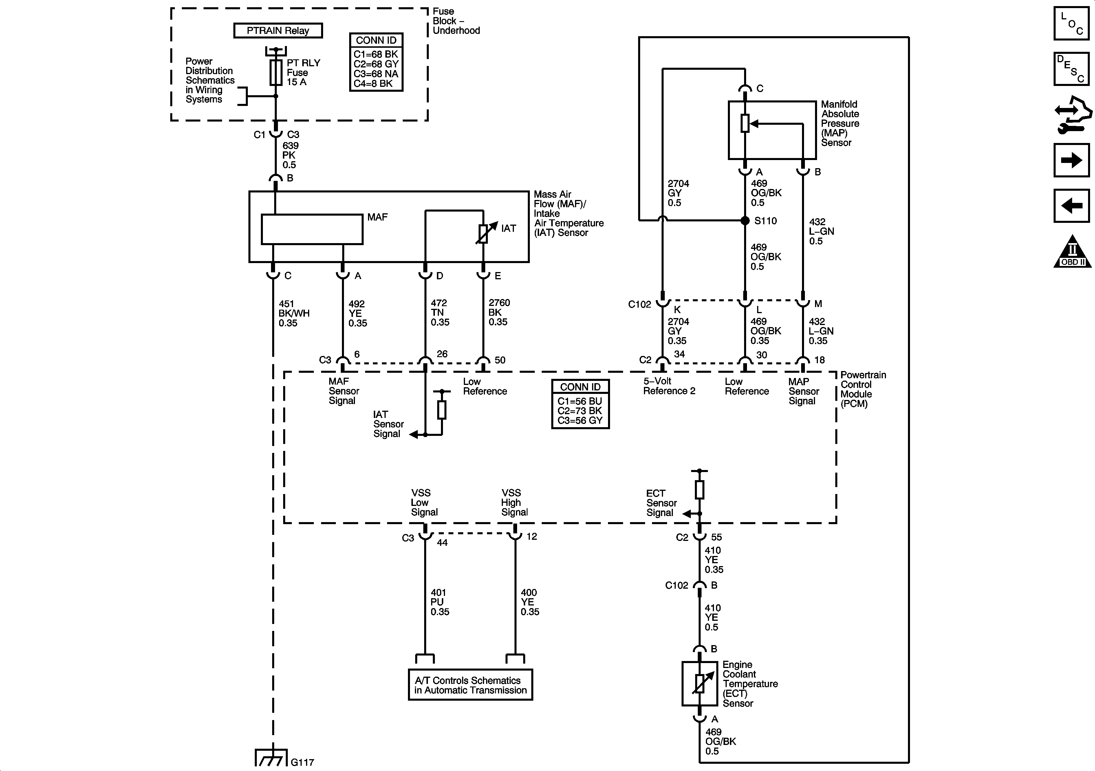
🢒 Engine Data Sensors-Pressure, Temperature, and VSS
Engine Data Sensors-Pressure, Temperature, and VSS
Engine Data Sensors - Pressure, Temperature, and VSS
Master Electrical Component List
Powertrain Control Module Description
Control Module References
Engine Data Sensors-Oxygen Sensors
Engine Data Sensors-5-Volt and Low Reference
Engine Controls Schematic Icons
Module Power, Ground, Serial Data, and MIL
PTRAIN Relay-2 of 2, BTSI, PT RLY, and PT SENSORS Fuses-LX9
ISS, Pressure Control, and VSS-LX9
G117 and G132