GM Service Manual Online
For 1990-2009 cars only
Makes
🢒
Buick
🢒
2006
🢒
Rendezvous - FWD
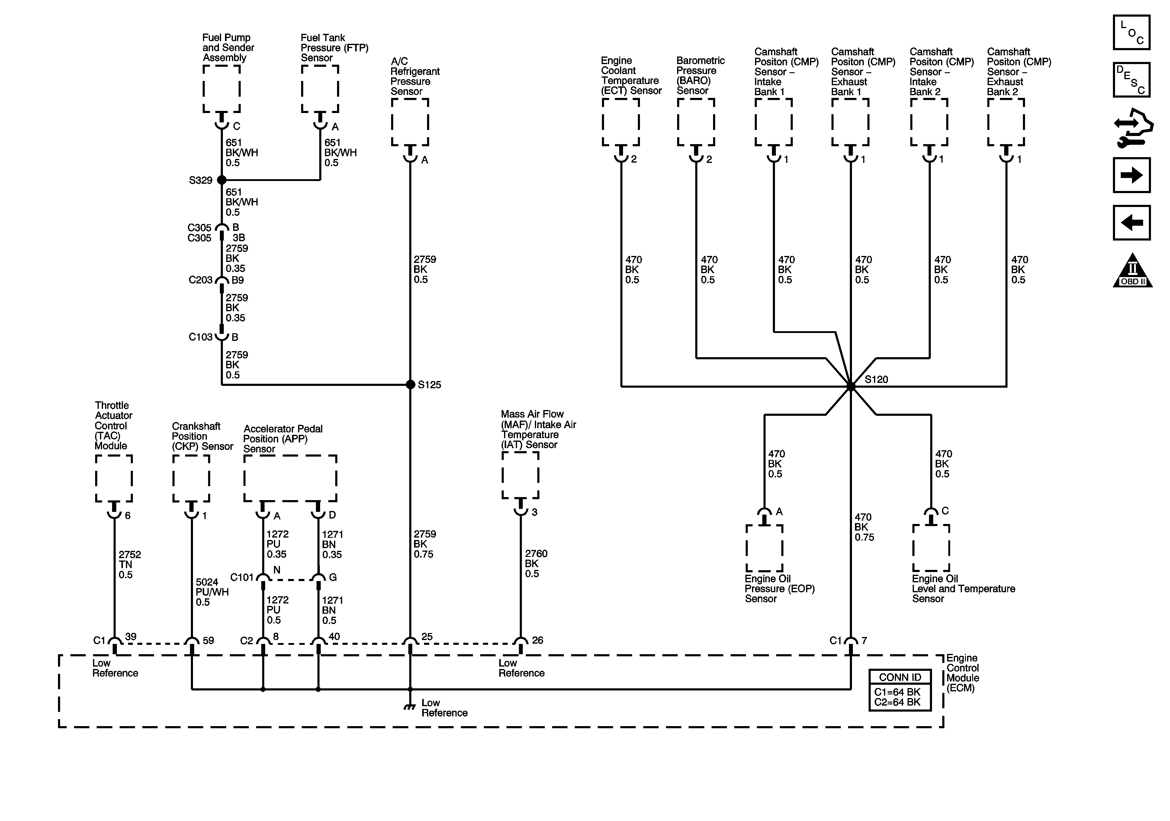
🢒 Engine Data Sensors-Low Reference
Engine Data Sensors-Low Reference
Engine Data Sensors - Low Reference
Master Electrical Component List
Engine Control Module Description
Control Module References
Engine Data Sensors-Pressure and Temperature
Engine Data Sensors-5-Volt Reference
Engine Controls Schematic Icons