GM Service Manual Online
For 1990-2009 cars only
Makes
🢒
Buick
🢒
2006
🢒
Rendezvous - FWD
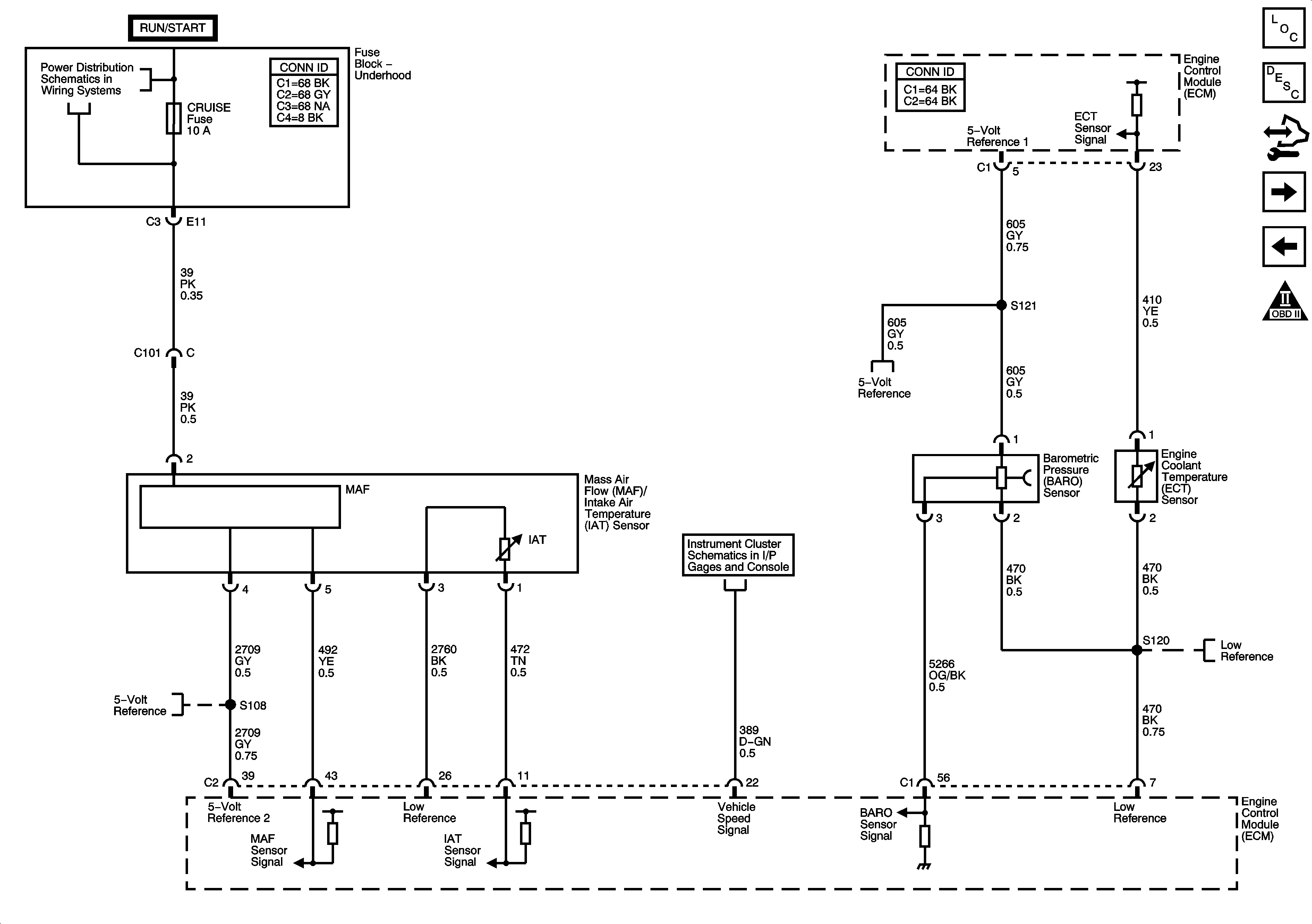
🢒 Engine Data Sensors-Pressure and Temperature
Engine Data Sensors-Pressure and Temperature
Engine Data Sensors - Pressure and Temperature
Master Electrical Component List
Air Intake System Description
Control Module References
Engine Data Sensors-Oxygen Sensors
Engine Data Sensors-Low Reference
Engine Controls Schematic Icons
CRUISE, IGN1 MAIN, and TRN SIG Fuses
Engine Data Sensors-5-Volt Reference
Gages-LY7
Engine Data Sensors-5-Volt Reference
Engine Data Sensors-Low Reference