GM Service Manual Online
For 1990-2009 cars only
Makes
🢒
Buick
🢒
2006
🢒
Rendezvous - FWD
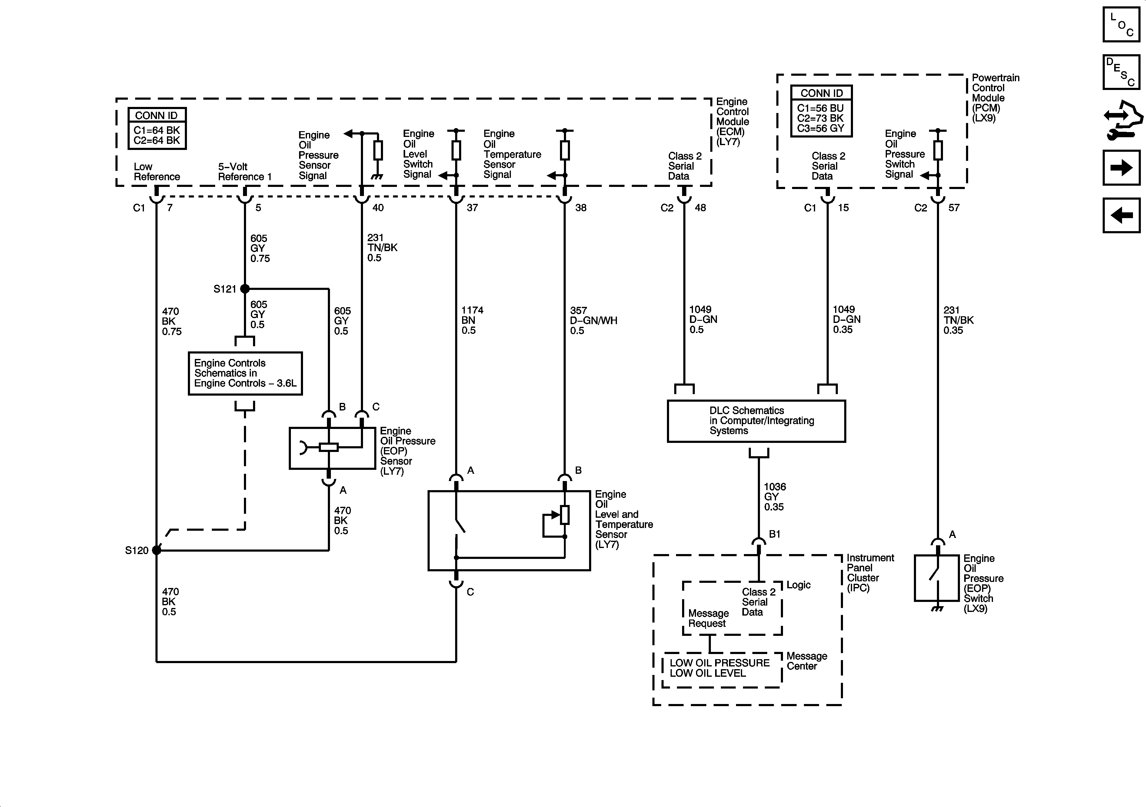
🢒 Engine Oil Sensors and Switches
Engine Oil Sensors and Switches
Engine Oil Sensors and Switches
Master Electrical Component List
Instrument Cluster Description and Operation
Control Module References
Gages-LX9
Indicators
Engine Data Sensors-5-Volt Reference
DLC Schematics