GM Service Manual Online
For 1990-2009 cars only
Makes
🢒
Buick
🢒
2006
🢒
Rendezvous - FWD
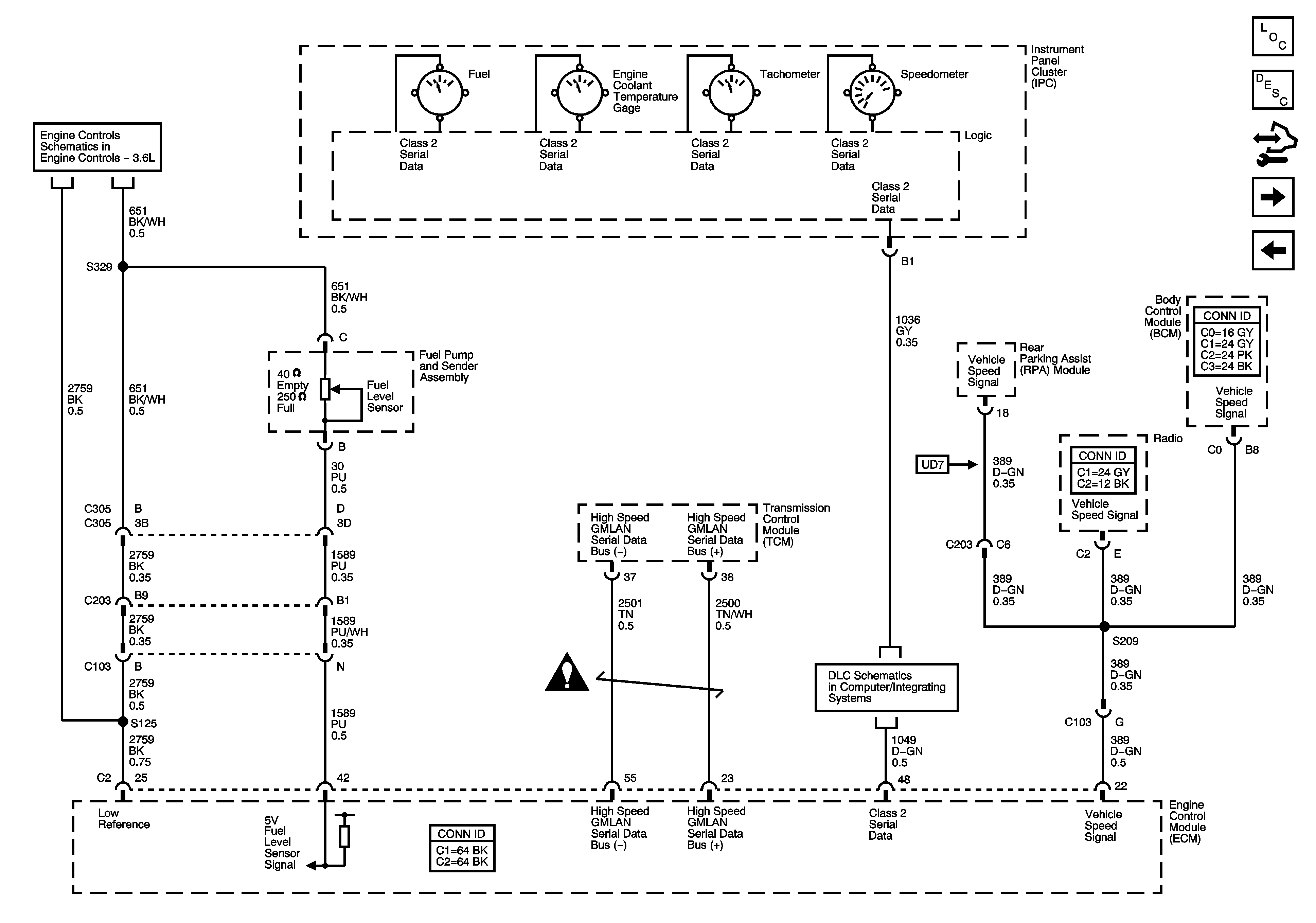
🢒 Gages-LY7
Gages-LY7
Gages - LY7
Master Electrical Component List
Instrument Cluster Description and Operation
Control Module References
Driver Information Center-UH9
Gages-LX9
Engine Data Sensors-Low Reference
Instrument Panel, Gages, and Console Schematic Icons
DLC Schematics