GM Service Manual Online
For 1990-2009 cars only

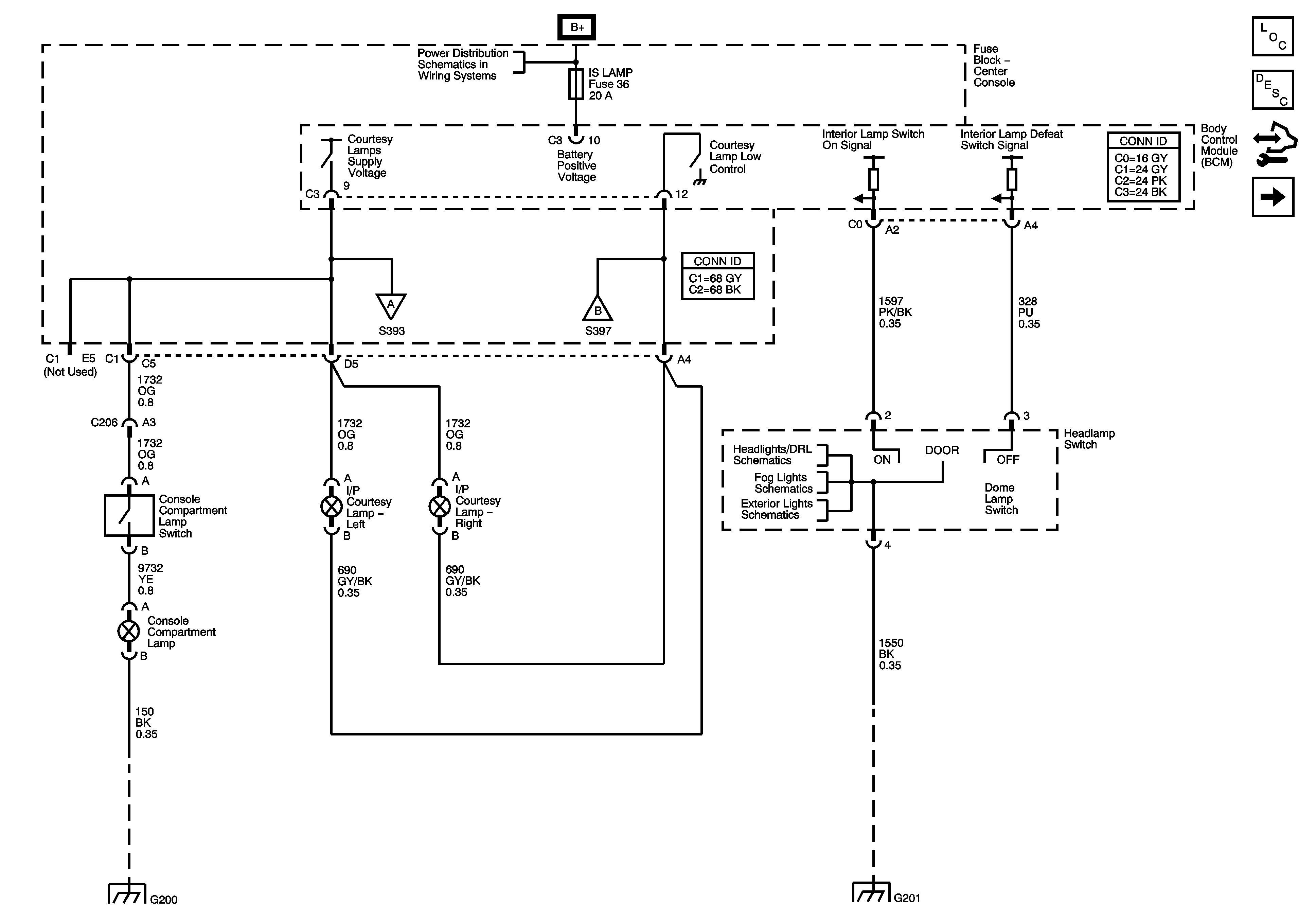
I/P Lighting, Lamp Control

I/P Lighting, Lamp Control


Object Number: 1619594  Size: FS
Master Electrical Component List
Interior Lighting Systems Description and Operation
Control Module References
Roof Lighting
BATT 1, HAZRD LAMP, HUD, IPC/HVAC/SEC/RKE, IS LAMP, PK3, RDO and RDO AMP Fuses
Roof Lighting
Roof Lighting
Indicator, Lamp Control
Fog Lights Schematics
Park Lamps
G200
G201