GM Service Manual Online
For 1990-2009 cars only
Makes
🢒
Buick
🢒
2006
🢒
Rendezvous - FWD
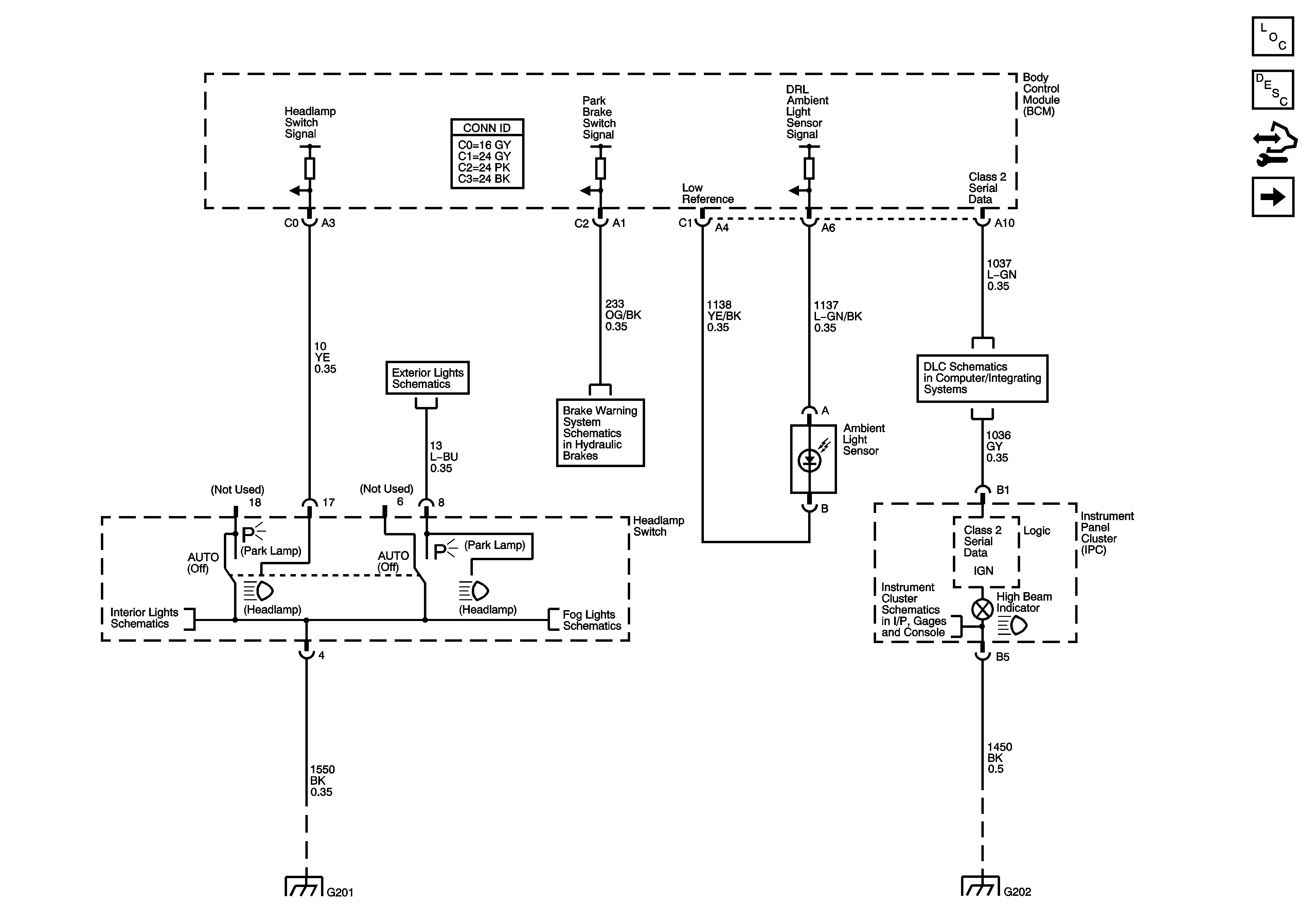
🢒 Indicator, Lamp Control
Indicator, Lamp Control
Indicator, Lamp Control
Master Electrical Component List
Exterior Lighting Systems Description and Operation
Control Module References
Dimming, Lamps, Relays
I/P Lighting, Lamp Control
Park Lamps
Brake Warning System Schematics
Fog Lights Schematics
G201
G202