GM Service Manual Online
For 1990-2009 cars only
Makes
🢒
Buick
🢒
2006
🢒
Rendezvous - FWD
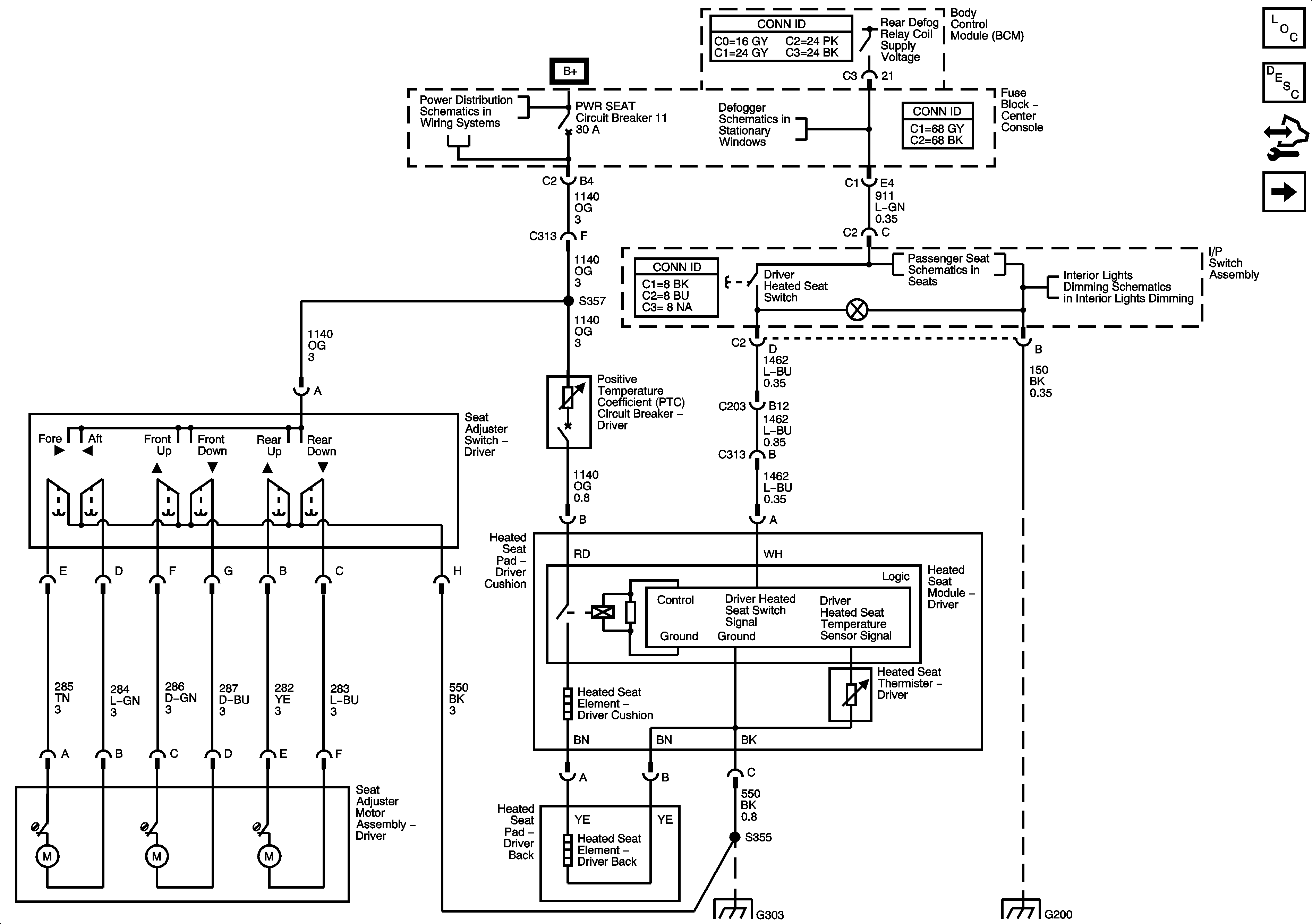
🢒 Power Seat and Heated Seat
Power Seat and Heated Seat
Power Seat and Heated Seat
Master Electrical Component List
Power Seats System Description and Operation
Control Module References
Memory Seat
BATT 2, ELC CMPRSR, LGATE, PWR DR LCK, PWR MIR, PWR SEAT, and RR AUX PWR OUTLET Fuses
Defogger Schematics
Passenger Seat Schematics
I/P and Console Lamps
G303-1 of 2
G200