GM Service Manual Online
For 1990-2009 cars only
Makes
🢒
Buick
🢒
2006
🢒
Rendezvous - FWD
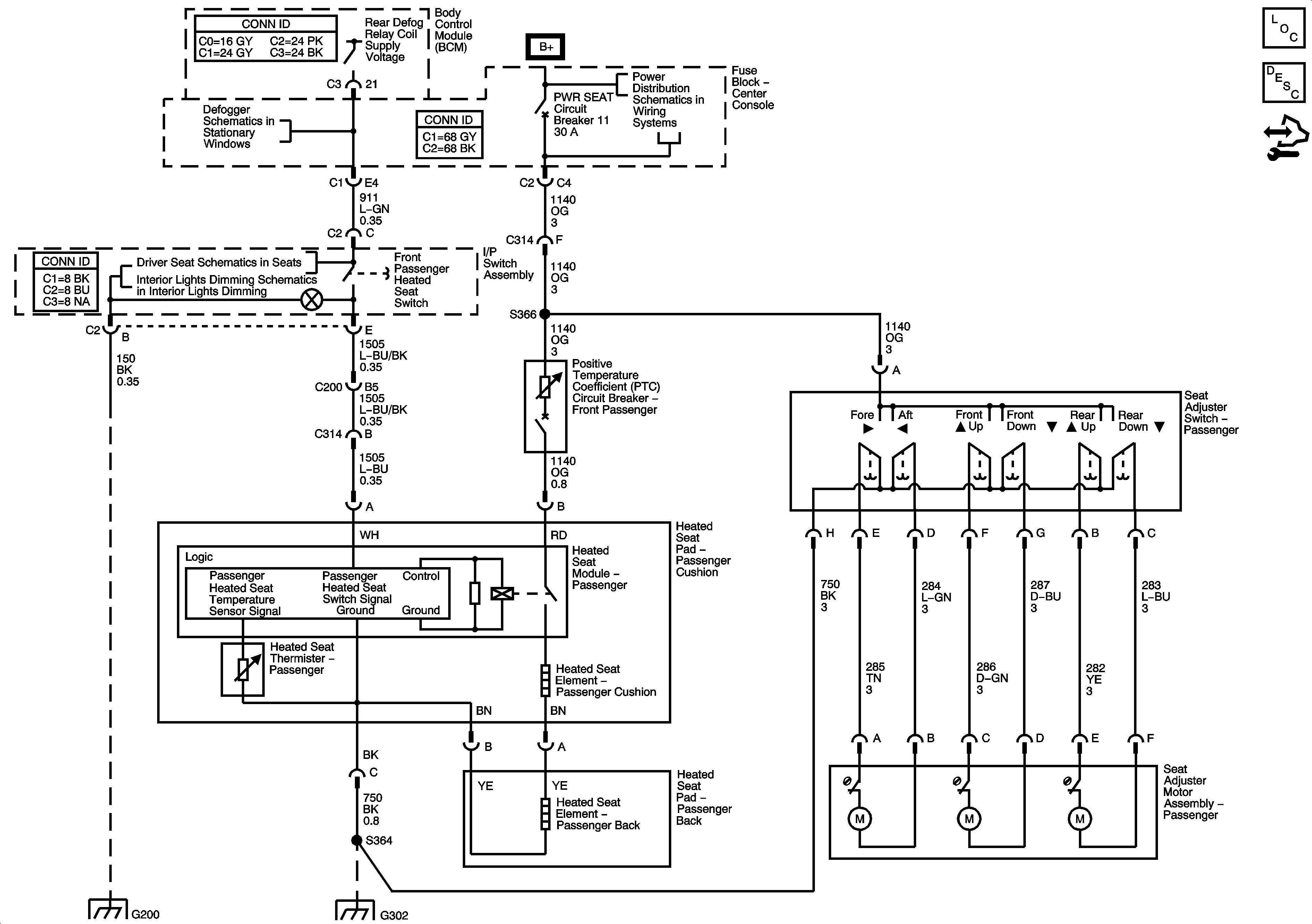
🢒 Passenger Seat Schematics
Passenger Seat Schematics
Master Electrical Component List
Power Seats System Description and Operation
Control Module References
Defogger Schematics
BATT 2, ELC CMPRSR, LGATE, PWR DR LCK, PWR MIR, PWR SEAT, and RR AUX PWR OUTLET Fuses
Power Seat and Heated Seat
I/P and Console Lamps
G200
G302