GM Service Manual Online
For 1990-2009 cars only
Makes
🢒
Buick
🢒
2007
🢒
Rendezvous - FWD
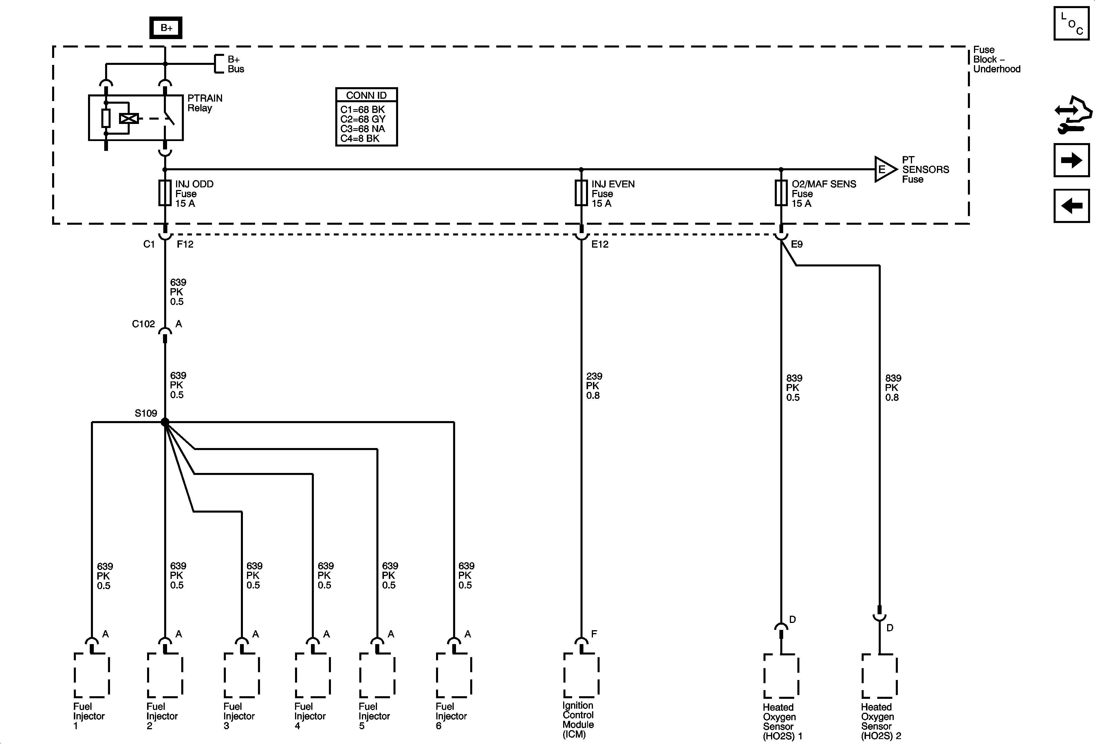
🢒 PTRAIN Relay-1 of 2, INJ EVEN, INJ ODD and O2/MAF SENS Fuses
PTRAIN Relay-1 of 2, INJ EVEN, INJ ODD and O2/MAF SENS Fuses
PTRAIN Relay 1 of 2, INJ EVEN, INJ ODD and O2/MAF SENS Fuses
Master Electrical Component List
Control Module References
PTRAIN Relay-2 of 2, BTSI, PT RLY, and PT SENSORS Fuses
ACC PWR, ELC CMPRSR, IGN 1, PWR SROOF, PWR WNDW, RR WPR SW, and WPR/WSW Fuses
B+ Bus 2 of 2
PTRAIN Relay-2 of 2, BTSI, PT RLY, and PT SENSORS Fuses