GM Service Manual Online
For 1990-2009 cars only
Makes
🢒
Buick
🢒
2007
🢒
Rendezvous - FWD
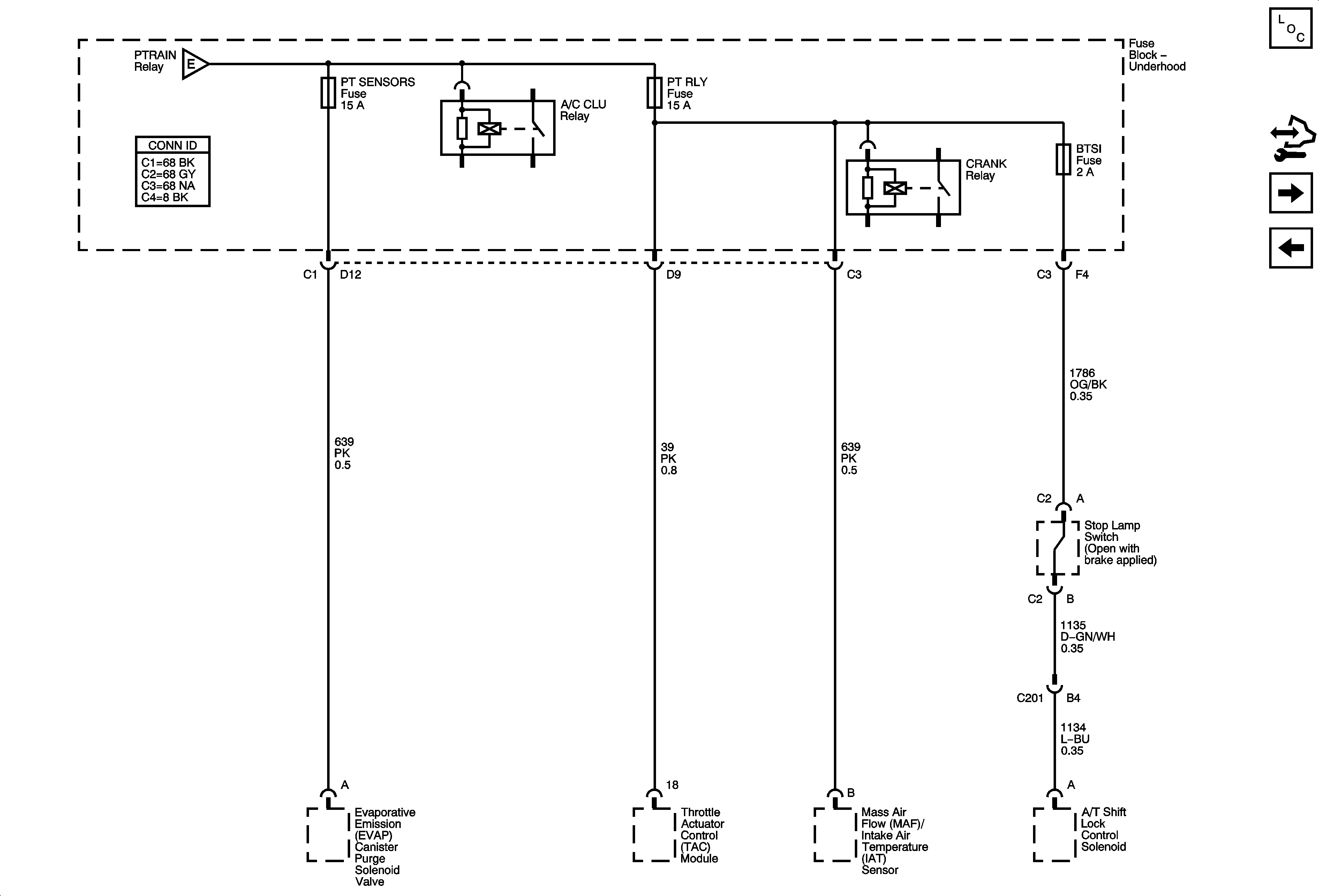
🢒 PTRAIN Relay-2 of 2, BTSI, PT RLY, and PT SENSORS Fuses
PTRAIN Relay-2 of 2, BTSI, PT RLY, and PT SENSORS Fuses
PTRAIN Relay 2 of 2, BTSI, PT RLY, and PT SENSORS Fuses
Master Electrical Component List
Control Module References
DRL, HI BEAM-LT, HI BEAM-RT, LO BEAM-LT, and LO BEAM-RT Fuses
PTRAIN Relay-1 of 2, INJ EVEN, INJ ODD and O2/MAF SENS Fuses
PTRAIN Relay-1 of 2, INJ EVEN, INJ ODD and O2/MAF SENS Fuses