GM Service Manual Online
For 1990-2009 cars only
Makes
🢒
Buick
🢒
2007
🢒
Rendezvous - FWD
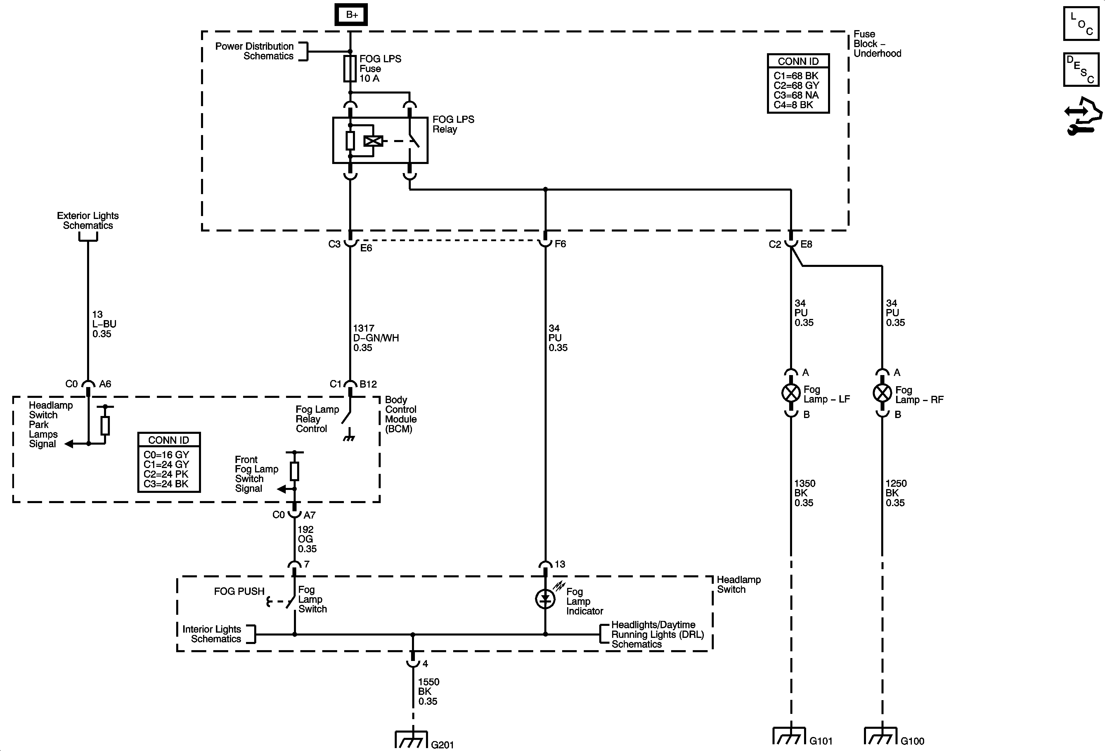
🢒 Fog Lights Schematics
Fog Lights Schematics
Master Electrical Component List
Exterior Lighting Systems Description and Operation
Control Module References
Park Lamps
B+ Bus 1 of 2
I/P Lighting, Lamp Control
G201
Indicator, Lamp Control
G101
G100, and G111