GM Service Manual Online
For 1990-2009 cars only
Makes
🢒
Buick
🢒
2007
🢒
Rendezvous - FWD
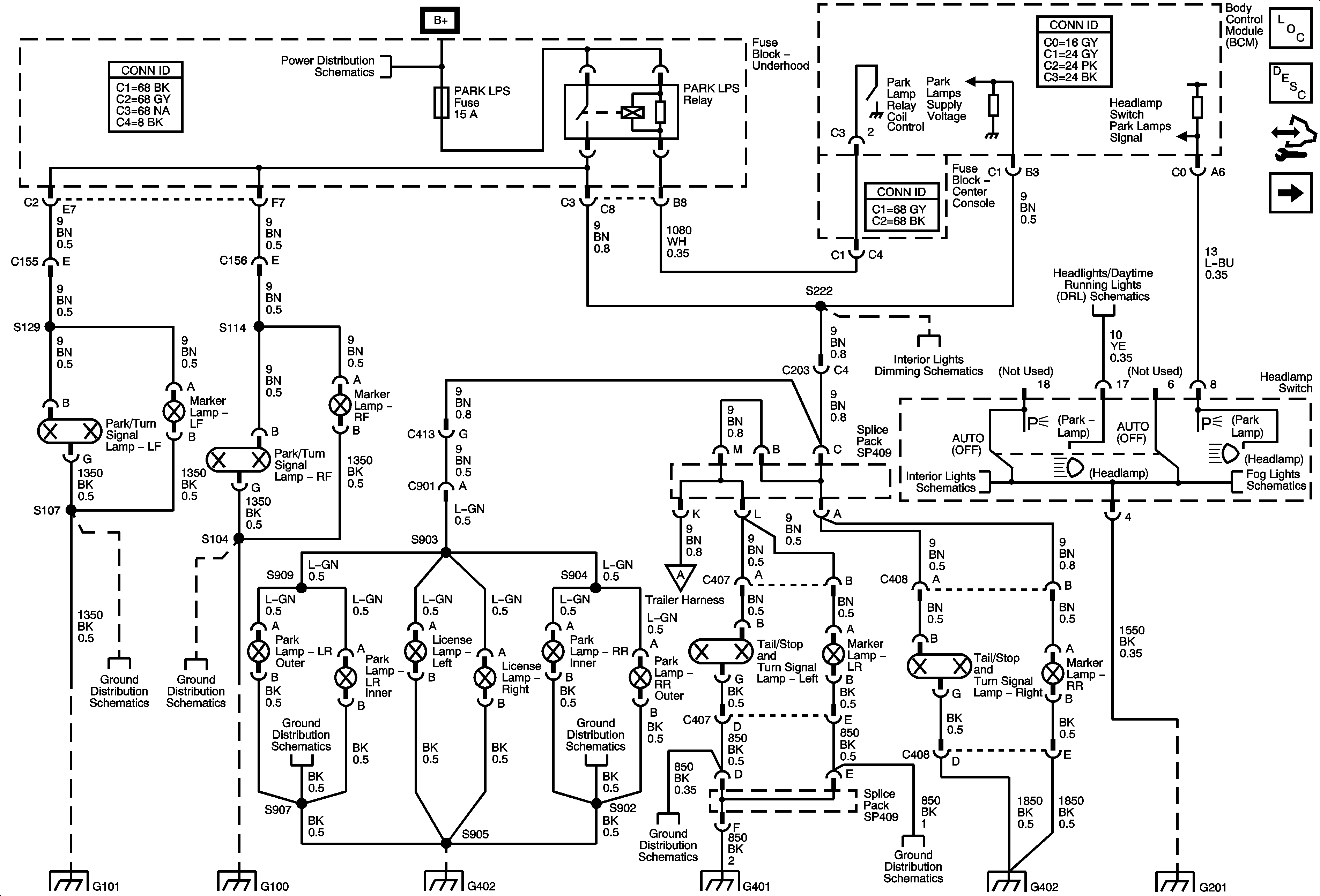
🢒 Park Lamps
Park Lamps
Park Lamps
Master Electrical Component List
Exterior Lighting Systems Description and Operation
Control Module References
Hazard, Stop, and Turn Signal Lamp Control
B+ Bus 1 of 2
I/P and Console Lamps
Indicator, Lamp Control
G101
G100, and G111
G402
G402
Trailer Harness
G101
G100, and G111
G402
G401
G401
G402
G201