GM Service Manual Online
For 1990-2009 cars only
Makes
🢒
Buick
🢒
2007
🢒
Rendezvous - FWD
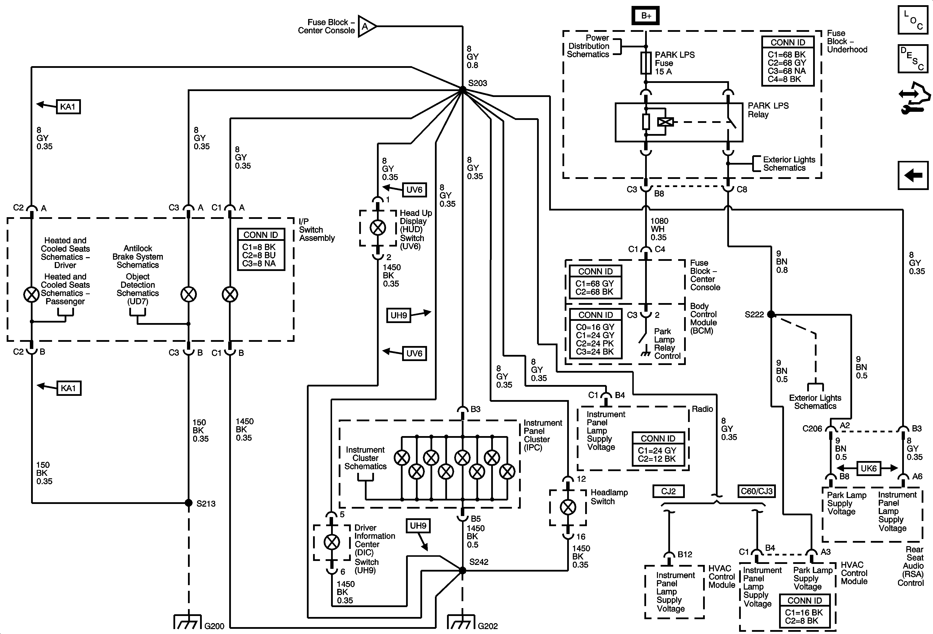
🢒 I/P and Console Lamps
I/P and Console Lamps
I/P and Console Lamps
Master Electrical Component List
Interior Lighting Systems Description and Operation
Control Module References
Dimming Controls and Door, Roof, and Steering Wheel Lamps
Dimming Controls and Door, Roof, and Steering Wheel Lamps
B+ Bus 1 of 2
Park Lamps
Driver
Passenger
DLC, Indicators, and Traction Control Switch
Enabling, Ground, and Power
G200
G202
Park Lamps