GM Service Manual Online
For 1990-2009 cars only
Makes
🢒
Buick
🢒
2007
🢒
Rendezvous - FWD
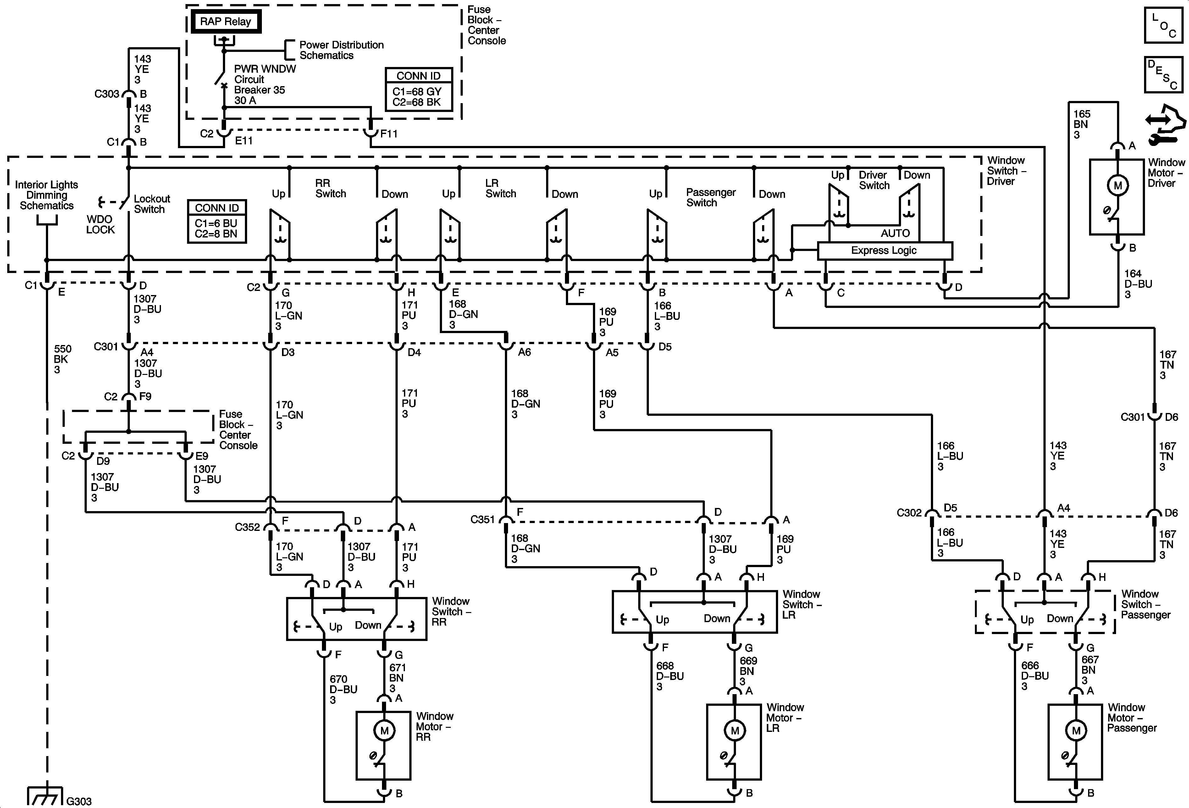
🢒 Moveable Window Schematics
Moveable Window Schematics
Master Electrical Component List
Power Windows Description and Operation
Control Module References
Dimming Controls and Door, Roof, and Steering Wheel Lamps
G303-1 of 2
Power Moding Schematics