GM Service Manual Online
For 1990-2009 cars only

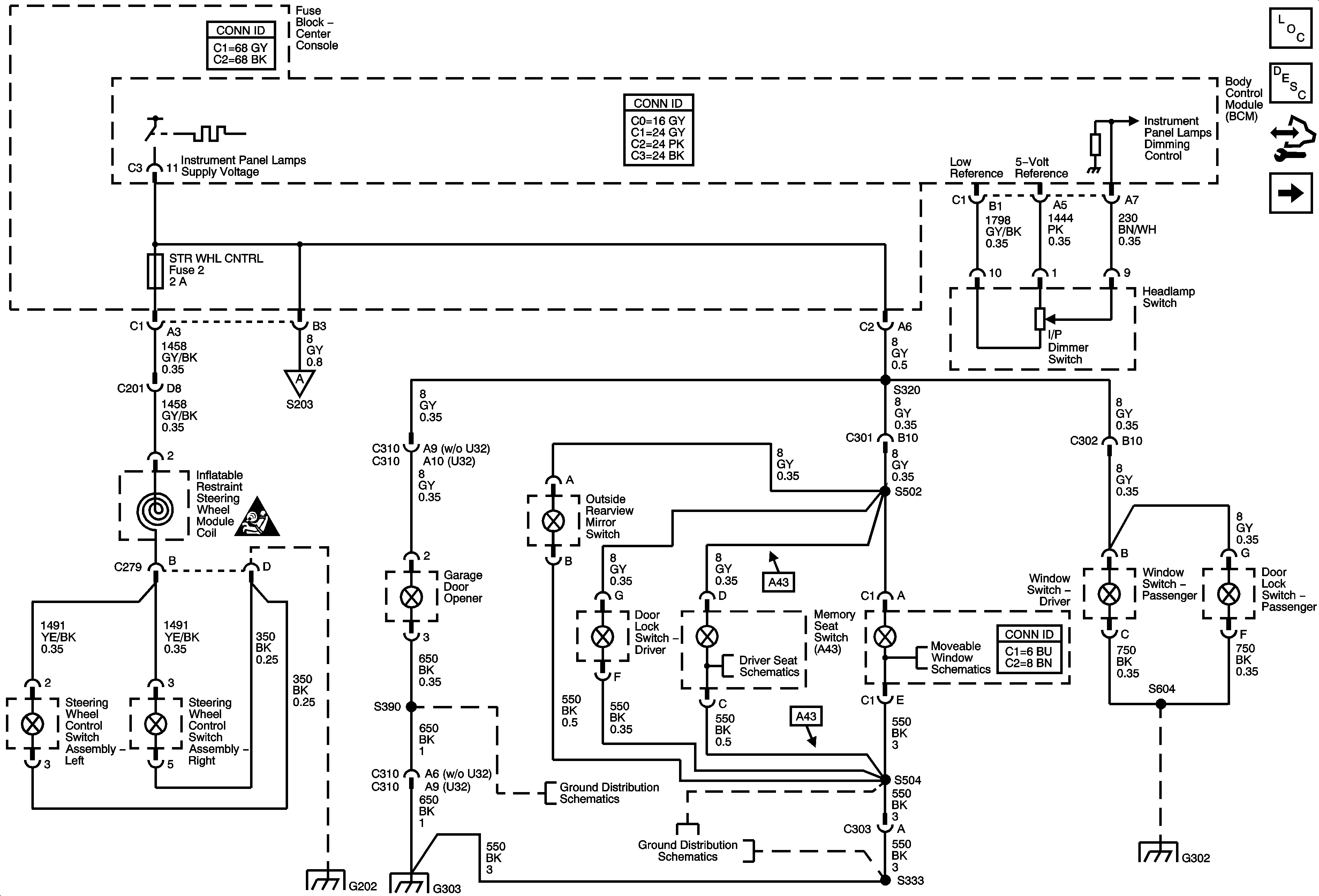
Dimming Controls and Door, Roof, and Steering Wheel Lamps

Dimming Controls and Door, Roof, and Steering Wheel Lamps


Object Number: 1740959  Size: FS
Master Electrical Component List
Interior Lighting Systems Description and Operation
Control Module References
I/P and Console Lamps
I/P and Console Lamps
Lighting Systems Schematic Icons
G202
G303-1 of 2
G303-2 of 2
G303-1 of 2
Memory Seat
Moveable Window Schematics
G302