GM Service Manual Online
For 1990-2009 cars only

Refer to

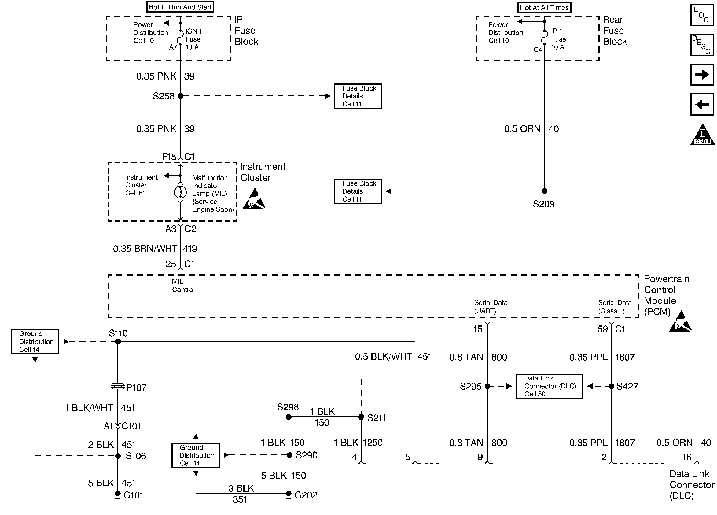
Mil Control, Data Link Connector


Object Number: 17922  Size: FS
Engine Controls Components
Data Link Connector Diagnosis
Cooling Fans
Trans Range, Engine Oil Level Sensor
OBD II Symbol Description Notice
Handling ESD Sensitive Parts Notice
Handling ESD Sensitive Parts Notice
.

Circuit Description

The PCM receives rough road information from the EBCM / EBTCM on the serial data circuit (CKT 800). The PCM uses the rough road information to enhance the misfire diagnostic by distinguishing crankshaft speed variations caused by driving on rough road surfaces from variations caused by true misfires. The EBCM / EBTCM transmits rough road information based on inputs from the wheel speed sensors. If a malfunction occurs which causes the PCM to not receive rough road information while DTC P0300 is requesting the MIL, DTC P1381 will set.

Conditions for Setting the DTC

    • Engine load less than 87 percent.
    • Engine speed less than 5,000 RPM.
    • Vehicle speed greater than 10 mph.
    • A misfire DTC is occurring and requesting the MIL to be illuminated.
    • The PCM has detected a EBCM / EBTCM data error for at least 10 seconds.

Action Taken When the DTC Sets

    • DTC P1381 will not cause the PCM to illuminate the Malfunction Indicator Lamp (MIL). If an active misfire DTC is occurring, the misfire DTC may cause the PCM to illuminate the MIL.
    • The PCM will store conditions which were present when the DTC set as Fail Records data only. This information will not be stored as Freeze Frame data.

Conditions for Clearing the MIL/DTC

    • A History DTC will clear after 40 consecutive warm-up cycles have occurred without a malfunction.
    • The DTC can be cleared by using the scan tool Clear Info function.

Diagnostic Aids

Check for the following conditions:

    • Poor connection at the PCM or at the EBCM. Inspect harness connectors for backed out terminals, improper mating, broken locks, improperly formed or damaged terminals, and poor terminal to wire connection.
    • Damaged harness. Inspect the wiring harness for damage. If the harness appears to be OK, observe ABS data on the scan tool while moving connectors and wiring harnesses related to the EBCM. A loss of ABS data will indicate the location of the malfunction.

Reviewing the Fail Records vehicle mileage since the diagnostic test last failed may help determine how often the condition that caused the DTC to be set occurs. This may assist in diagnosing the condition.

Test Description

Number(s) below refer to the step number(s) on the Diagnostic Table.

  1. Ensures that the EBCM/EBTCM is capable of transmitting serial data on the UART serial data circuit.

  2. Checks the UART serial data circuit at the EBCM/EBTCM for correct voltage.

DTC P1381 - Misfire Detected - No EBCM/PCM Serial Data

Step

Action

Value(s)

Yes

No

1

Was the Powertrain On-Board Diagnostic (OBD) System Check performed?

--

Go to Step 2

Go to the Powertrain On Board Diagnostic (OBD) System Check

2

  1. Turn ON the ignition switch.
  2. Select chassis application on the scan tool.
  3. Attempt to display ABS data on the scan tool.

Can ABS data be displayed?

--

Go to Step 3

Go to Step 4

3

  1. Check the serial data circuit for an open or a poor connection between the PCM and the EBCM.
  2. If a problem is found, repair as necessary. Refer to Repair Procedures in Electrical Diagnosis.

Was a problem found?

--

System OK

Refer to DTC P1381 Diagnostic Aids

4

  1. Turn OFF the ignition switch.
  2. Disconnect the EBCM.
  3. Turn ON the ignition switch.
  4. Using a J 39200 Digital Multimeter, measure voltage on the serial data circuit at the EBCM harness connector.

Does voltage vary within a range between the specified values?

1-5V

Go to Step 5

Go to Step 6

5

  1. Check for a poor connection at the EBCM.
  2. If a problem is found, replace loose terminal(s) as necessary. Refer to Repair Procedures in Electrical Diagnosis.

Was a problem found?

--

Go to Step 7

Go to Step 6

6

  1. Check for an open in the serial data circuit to the EBCM. Refer to UART Data Line for a complete mechanization.
  2. If a problem is found, repair as necessary. Refer to Repair Procedures in Electrical Diagnosis.

Was a problem found?

--

Go to Step 7

Go to the Antilock Brake System Diagnostic System Check

7

  1. Turn ON the ignition switch.
  2. Select chassis application on the scan tool.
  3. Attempt to display ABS data on the scan tool.

Can ABS data be displayed?

--

System OK

Go to Step 4