GM Service Manual Online
For 1990-2009 cars only
Makes
🢒
Buick
🢒
1997
🢒
Riviera
🢒 Ignition Control Module
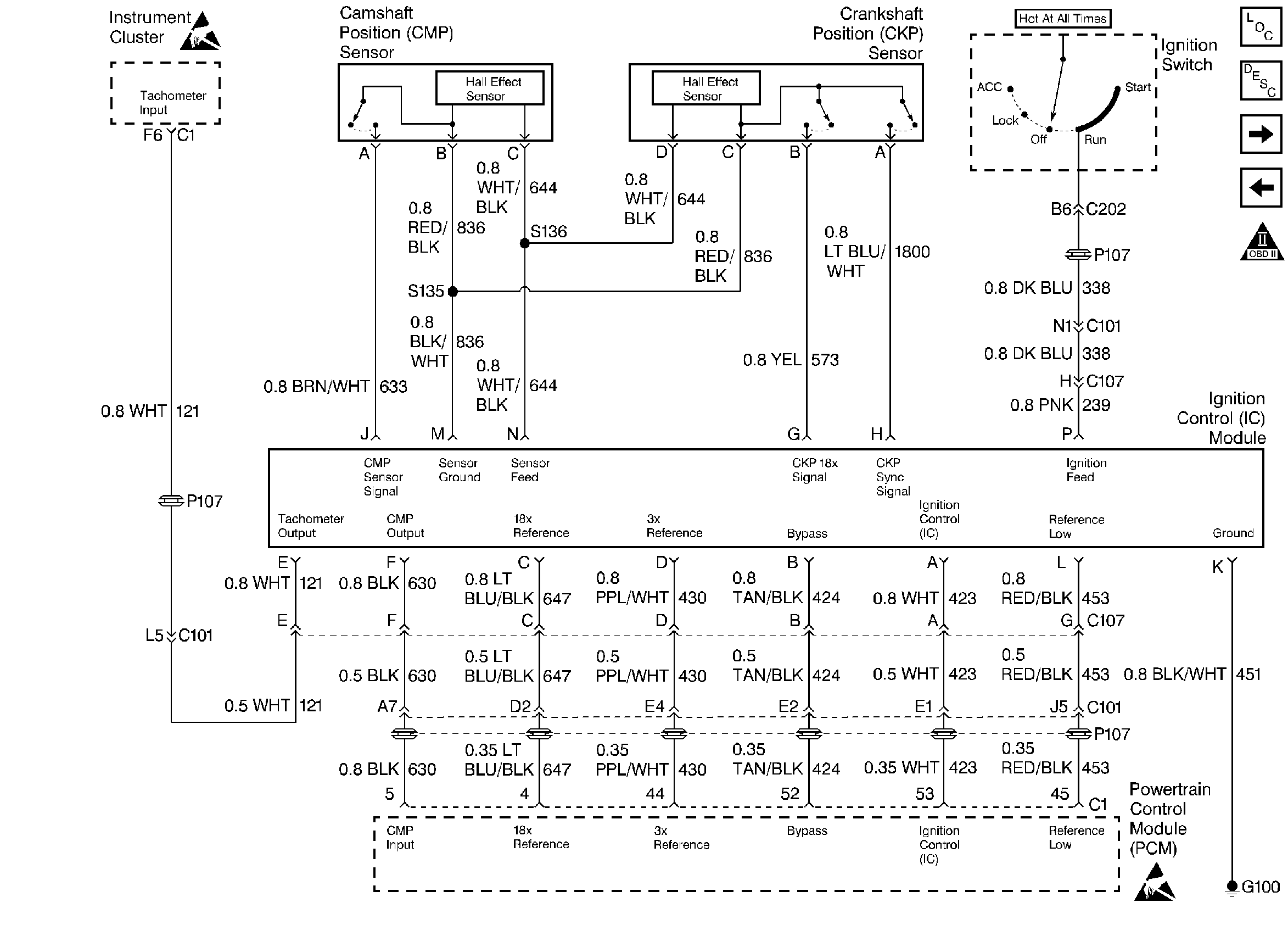
Ignition Control Module
Ignition Control Module
Engine Controls Components
Engine Cranks but Does Not Run
Fuel Injector Control
Fuel Pump Control (Vin K)
OBD II Symbol Description Notice
Handling ESD Sensitive Parts Notice
Handling ESD Sensitive Parts Notice