GM Service Manual Online
For 1990-2009 cars only
Makes
🢒
Buick
🢒
1997
🢒
Riviera
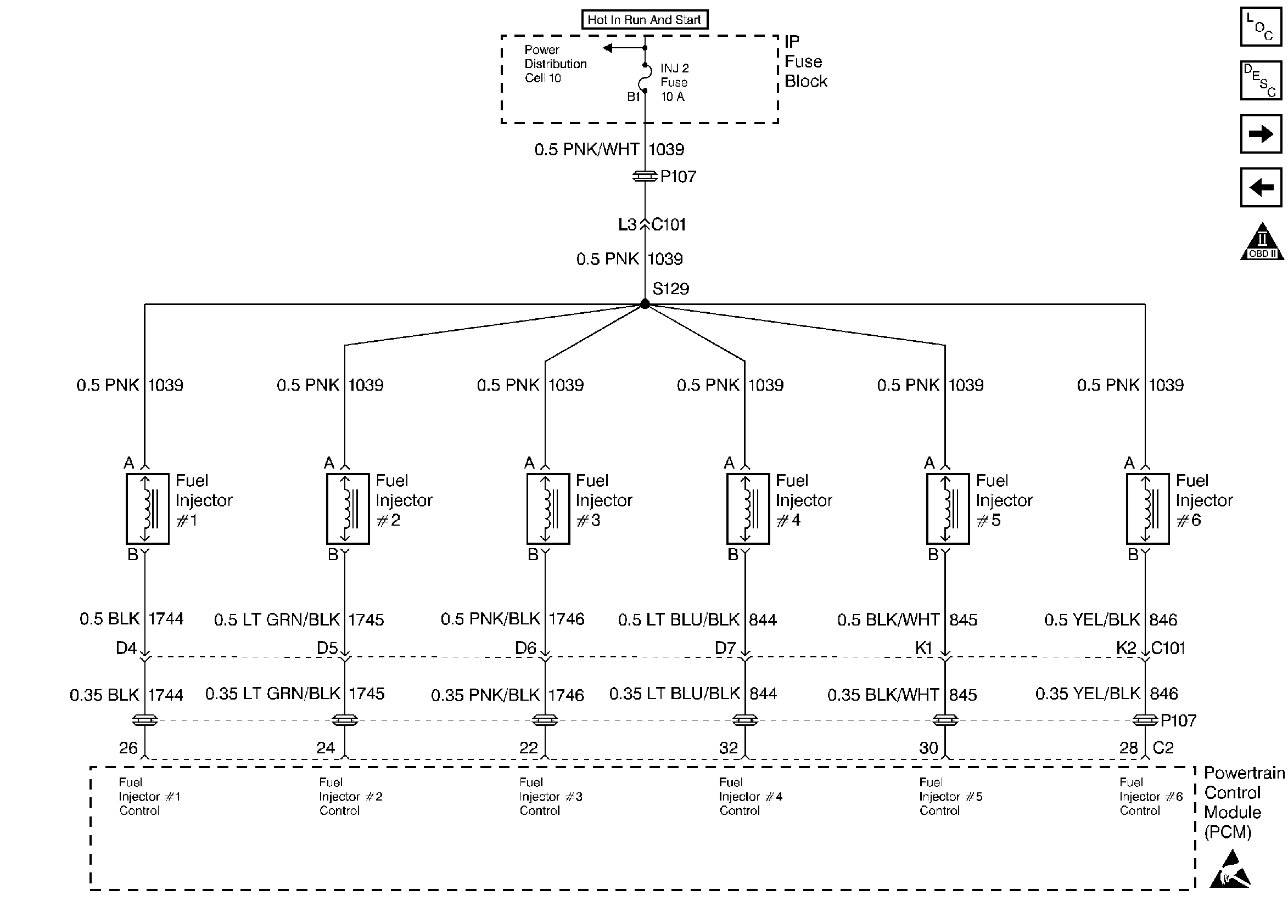
🢒 Fuel Injector Control
Fuel Injector Control
Fuel Injector Control
Engine Controls Components
DTC P1200 Injector Control Circuit
HO2S Sensors
Ignition Control Module
OBD II Symbol Description Notice
Handling ESD Sensitive Parts Notice