GM Service Manual Online
For 1990-2009 cars only
Makes
🢒
Buick
🢒
1997
🢒
Riviera
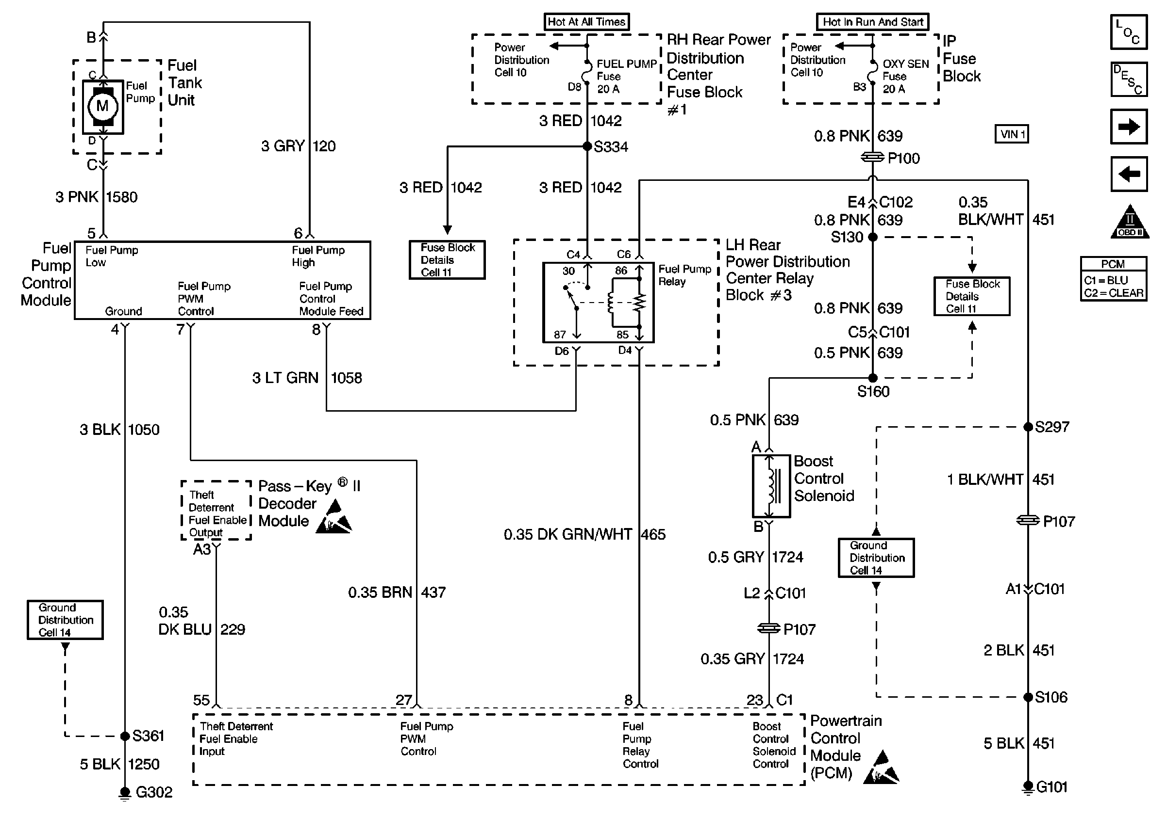
🢒 PCM Fuel Pump and Boost Solenoid VIN 1
PCM Fuel Pump and Boost Solenoid VIN 1
PCM Fuel Pump and Boost Solenoid VIN 1
Engine Controls Components
Fuel Metering System Components
PCM Fuel Injectors VIN 1 and K
PCM Fuel Pump Control VIN K
OBD II Symbol Description Notice
Handling ESD Sensitive Parts Notice
Handling ESD Sensitive Parts Notice
Engine Controls Schematic References
Engine Controls Schematic References
Engine Controls Schematic References
Engine Controls Schematic References
Engine Controls Schematic References
Engine Controls Schematic References