GM Service Manual Online
For 1990-2009 cars only
Makes
🢒
Buick
🢒
1997
🢒
Riviera
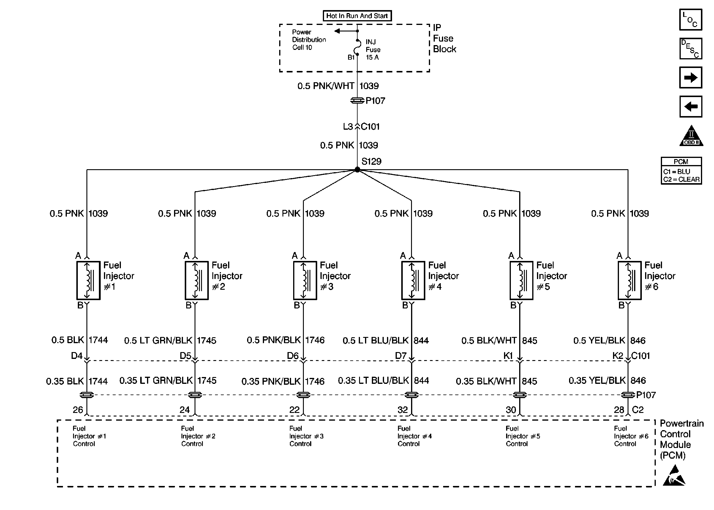
🢒 PCM Fuel Injectors VIN 1 and K
PCM Fuel Injectors VIN 1 and K
PCM Fuel Injectors VIN 1 and K
Engine Controls Components
Fuel Metering System Components
PCM MAP, TP, ECT, IAT, and A/C Pressure Switch
PCM Fuel Pump and Boost Solenoid VIN 1
OBD II Symbol Description Notice
Handling ESD Sensitive Parts Notice
Engine Controls Schematic References