GM Service Manual Online
For 1990-2009 cars only
Makes
🢒
Buick
🢒
1997
🢒
Riviera
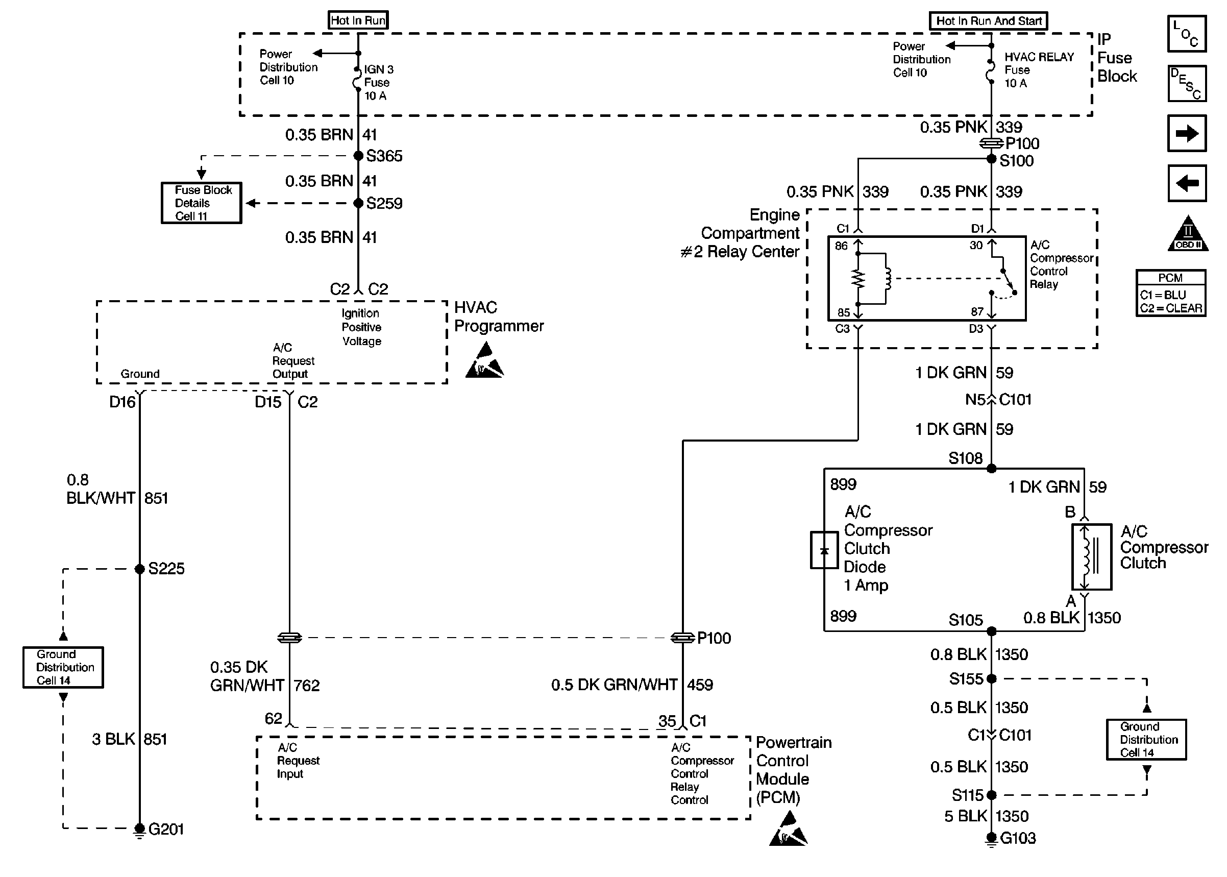
🢒 PCM A/C Compressor Clutch VIN 1 and K
PCM A/C Compressor Clutch VIN 1 and K
PCM A/C Compressor Clutch VIN 1 and K
Engine Controls Components
Powertrain Control Module Controlled Air Conditioning
PCM Cooling Fans VIN 1 and K
PCM EBTCM, Oil Level Switch, and Generator VIN 1 and K
OBD II Symbol Description Notice
Handling ESD Sensitive Parts Notice
Handling ESD Sensitive Parts Notice
Engine Controls Schematic References
Engine Controls Schematic References
Engine Controls Schematic References
Engine Controls Schematic References