GM Service Manual Online
For 1990-2009 cars only
Makes
🢒
Buick
🢒
1997
🢒
Riviera
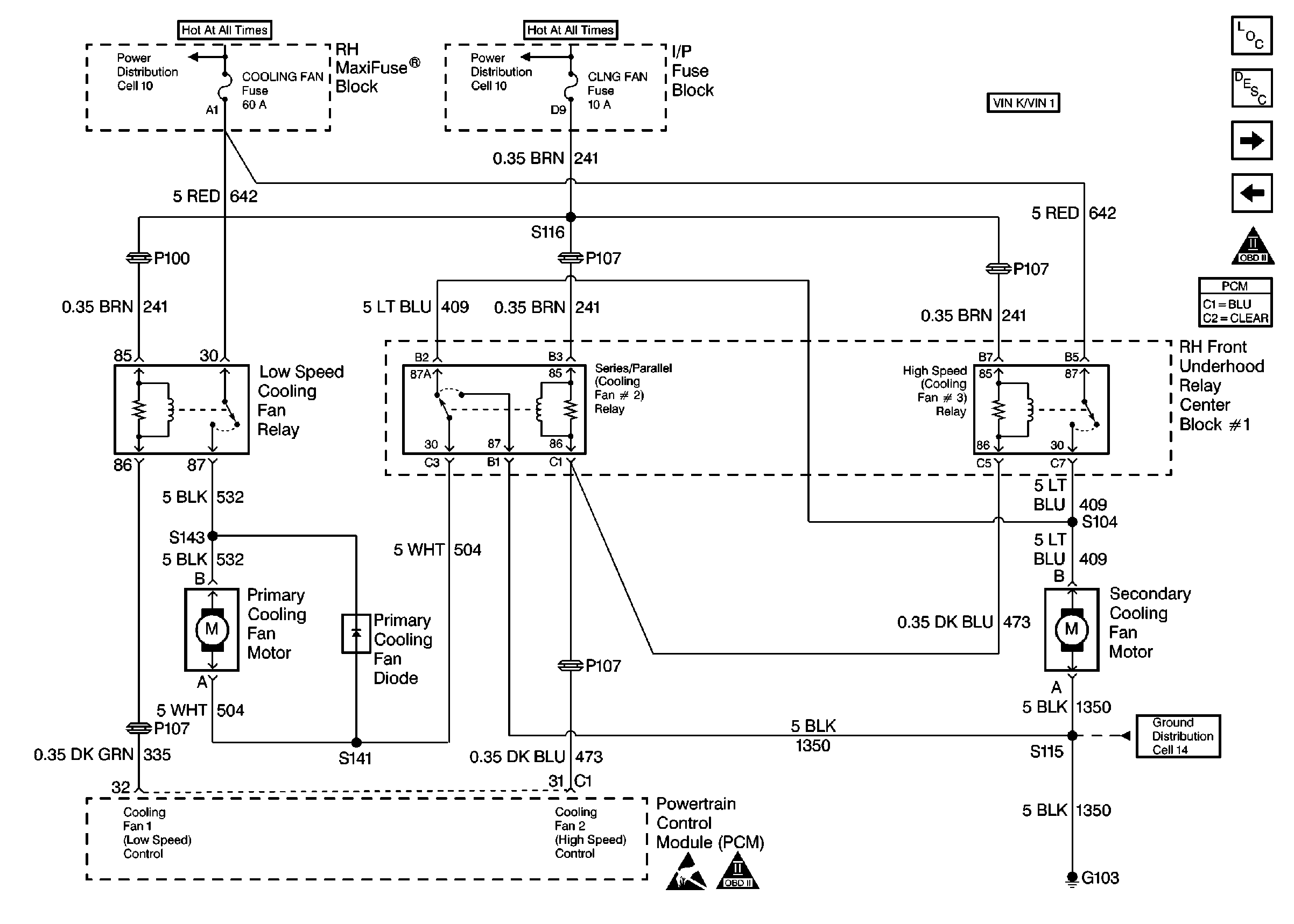
🢒 PCM Cooling Fans VIN 1 and K
PCM Cooling Fans VIN 1 and K
PCM Cooling Fans VIN 1 and K
Engine Controls Components
Electric Cooling Fan
PCM Brake Switch, TCC, 1-2 Shift, 2-3 Shift, and PC Solenoid VIN 1 and K
PCM A/C Compressor Clutch VIN 1 and K
OBD II Symbol Description Notice
OBD II Symbol Description Notice
Handling ESD Sensitive Parts Notice
Engine Controls Schematic References
Engine Controls Schematic References