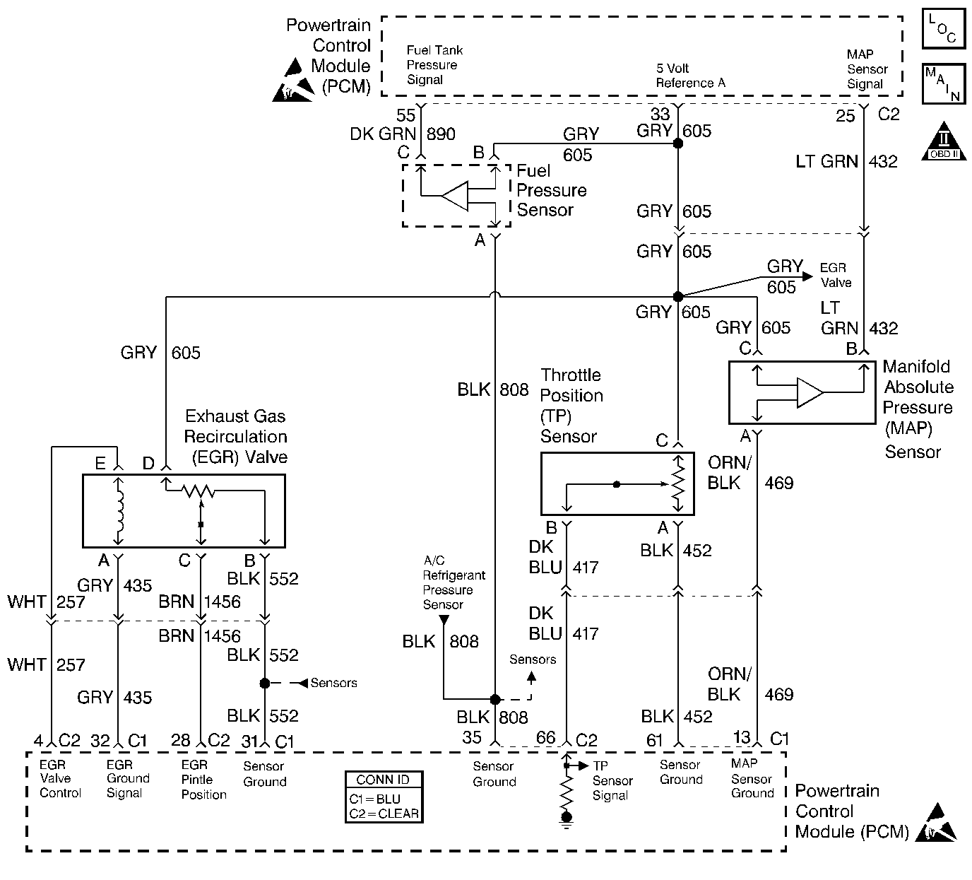
The PCM uses the 5 Volt Reference A circuit as a sensor feed to the following sensors:
| • | The TP sensor. |
| • | The MAP sensor. |
| • | The EGR Valve Pintle Position sensor. |
The PCM monitors the voltage on the 5 Volt Reference A circuit. If the voltage is out of tolerance, the PCM will set DTC P1635.
| • | The PCM detects a voltage out of tolerance condition on the 5 Volt Reference A circuit. |
| • | The above condition is present for longer than 19 seconds. |
| • | The PCM will illuminate the malfunction indicator lamp (MIL) during the second consecutive trip in which the diagnostic test has been run and failed. |
| • | The PCM will store conditions which were present when the DTC set as Freeze Frame and Failure Records data. |
| • | The PCM will turn OFF the MIL during the third consecutive trip in which the diagnostic has been run and passed. |
| • | The History DTC will clear after 40 consecutive warm-up cycles have occurred without a malfunction. |
| • | The DTC can be cleared by using the scan tool. |
Important:: Be sure to inspect PCM and engine grounds for being secure and clean.
Check for the following conditions:
| • | Poor connection at the PCM. |
| Inspect harness connectors for backed out terminals, improper mating, broken locks, improperly formed or damaged terminals, and poor terminal to wire connection. |
| • | Damaged harness. |
| Inspect the wiring harness for damage. |
| • | If the harness appears to be OK, observe the MAP display on the scan tool with the ignition ON, engine not running while moving connectors and wiring harnesses related to the following sensors. A change in the MAP display will indicate the location of the malfunction. |
| - | The Fuel Tank Pressre Sensor. |
| - | The TP sensor. |
| - | The MAP sensor. |
| - | The EGR valve. |
Reviewing the Fail Records vehicle mileage since the diagnostic test last failed may help determine how often the condition that caused the DTC to be set occurs. This may assist in diagnosing the condition.
The numbers below refer to the step numbers on the diagnostic table.
This vehicle is equipped with a PCM which utilizes an Electrically Erasable Programmable Read Only Memory (EEPROM). When the PCM is being replaced, the new PCM must be programmed. Refer to Powertrain Control Module Replacement/Programming .
Step | Action | Value(s) | Yes | No |
|---|---|---|---|---|
1 | Was the Powertrain On-Board Diagnostic (OBD) System Check performed? | -- | ||
2 |
Was a problem found? | -- | ||
3 |
Important: If you were sent here from another table, do this table first. Select DTC info, Last Test Fail and record any other DTCs set. Are any other DTCs set? | -- | Go to applicable DTC. | |
4 |
Is voltage near the specified value indicated? | 5V | ||
5 | Is voltage near the specified value indicated? | 0V | ||
6 |
Is voltage near the specified value indicated? | 5V | ||
7 |
Was a component replaced? | -- | ||
8 |
Was a problem found? | -- | ||
9 |
Was a problem found? | -- | ||
10 | Replace the EGR valve. Refer to Exhaust Gas Recirculation Valve Replacement . Is the action complete? | -- | -- | |
|
Important:: The replacement PCM must be programmed. Replace PCM. Refer to Powertrain Control Module Replacement/Programming . Is the action complete? | -- | -- | ||
12 |
Does the scan tool indicate DTC P1635 failed this ignition? | -- | System OK |